Beach Buddy: Cargador Solar 3 en 1, Boombox y quemadura temporizador calculadora (12 / 17 paso)

Paso 12: Perfeccionar el PCB

' Kay por lo que ahora tenemos una caja con todas las guarniciones en el exterior y la mayoría de la carne en el interior.

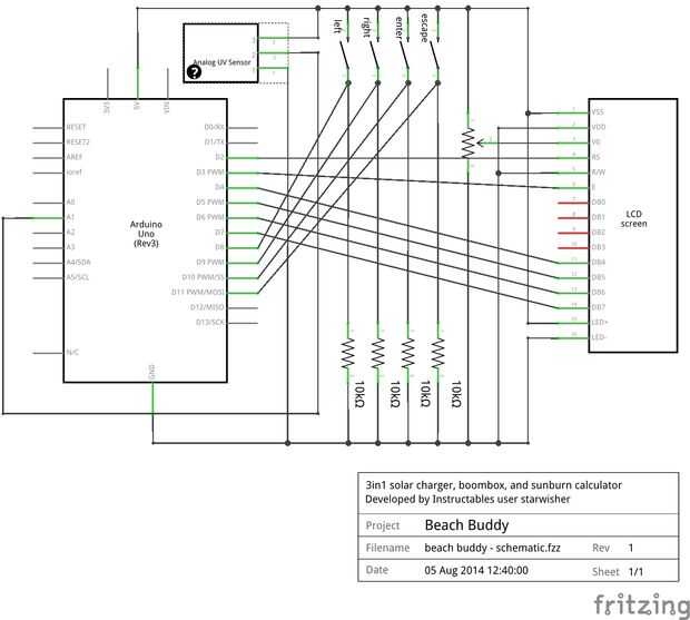
Ahora es el momento para la soldadura de la PCB. He utilizado un tablero de PC del componente universal de RadioShack en una pizca; Si hubiera tenido más previsión, habría pedido este estilo protoboard perma-protoboard de Adafruit. Pero el "esquema" adicional que diseñé para la Junta Directiva de RadioShack.

El esquema universal describe las conexiones; el colorido diseño incluye puntos de soldadura y diseño de componentes en el tablero.

  1. La soldadura de las conexiones de puente con cable de núcleo sólido o cables de puente; He utilizado previamente doblado los cables puente sólido que tenía en mano para mi PCB.
  2. SNIP y tira de los extremos macho de los cables de puente macho/hembra masa y 5V y ésos en la PCB de la soldadura. Deje los extremos hembra intacto para conectar a la pantalla LCD.
  3. Para cada botón el alambre, la soldadura en dos cables sin conectar, a soldar nuestros cables expuestos botón momentáneamente.
  4. También corte una tira pequeña de blanco encogible en cuatro trocitos y escribió el nombre de cada botón en la tubería. No reducirlo, simplemente deslizarse sobre los cables por lo que puedo identificar rápidamente en el futuro si es necesario.

Artículos Relacionados

Boombox/Cargador Solar portátil

Boombox/Cargador Solar portátil

Hola,así que este es mi primer instructable, algún consejo para hacer las cosas más claras o fijación de estas instrucciones es bienvenido. Estudio ingeniería industrial y no estoy demasiado profundo en electrónica pero intentó mi mejor. Si tiene alg
CD libro Cargador Solar

CD libro Cargador Solar

edita: reemplacé las tiras de aislamiento con espuma que vino con mi laptop y luego utiliza una pistola de pegamento para fijarlos en el lugar de embalaje. Ahora se expone el área total superficial de los paneles. Pone hacia fuera sobre 14V en luz di
Inalámbrico Cargador Solar

Inalámbrico Cargador Solar

Cada estudiante sabe la lucha de encontrar un enchufe para cargar su teléfono. Esta lucha diaria de nuestras nos motivó a buscar una solución creativa. Hemos querido crear un cargador que no requieren una toma de corriente en cualquier circunstancia
Cargador solar USB 2.0

Cargador solar USB 2.0

La energía solar es grande en estos días, de las centrales eléctricas a las matrices en la azotea! Esta guía muestra cómo construir tu propio cargador solar para la electrónica pequeña. Este cargador cargará más pequeños dispositivos USB como teléfon
Heavy Duty de litio Cargador Solar USB 2.0

Heavy Duty de litio Cargador Solar USB 2.0

A veces necesita un montón de energía solar para tus gadgets va. Más teléfonos, tablets y gadgets significan que están más hambrientos de poder. Cuando normales cargadores solares DIY fallarán, necesita recurrir a una solución de servicio pesado.En e
¿DIY USB Cargador Solar portátil ($20-4 puertos)

¿DIY USB Cargador Solar portátil ($20-4 puertos)

Dreamed de hacer un "Muy fiable" y barato USB cargador solar portátil? Aquí está un tutorial rápido, revelando Cómo hice mía con un presupuesto de menos de $20!___________________________________________________________________________________Te
Cómo hacer una mochila de Cargador Solar para teléfonos

Cómo hacer una mochila de Cargador Solar para teléfonos

¡ Hola! Este es mi primer instructable así me avisan lo que piensan ustedes todo!Durante mucho tiempo, había estado esperando un cargador que no tengo enchufe, uno que puedo depender cuando estoy fuera. Esto es lo que se me ocurrió. Un impresionante
Cargador solar portátil 20w

Cargador solar portátil 20w

He carga baterías recargables 18650 de un cargador solar de baterías pequeño 12v hace unos meses. No me impresionó con el índice de carga, pasar todo un día soleado para tal vez tener una batería 18650 sola cargada. Decidido dar un paso a otro nivel
DIY iPhone 5s Cargador Solar con CAD

DIY iPhone 5s Cargador Solar con CAD

El propósito de este proyecto es hacer un cargador solar para cualquier teléfono o cualquier dispositivo que admita carga el cargador del USB es completamente confiable en la energía solar como la única fuente de energía. El objetivo principal es cre
CARTERA de cargador SOLAR para teléfonos

CARTERA de cargador SOLAR para teléfonos

Hola chicos, tuve esta idea por un tiempo y ahora he hecho y quiero compartir con ustedes. Super fácil y barato. Cargador solar portátil DIYpresupuesto $10dificultad fáciltiempo 45minPaso 1: Ver VIDEO!!!Para ver cómo lo hice, mira el video donde expl
Bolso cargador solar

Bolso cargador solar

Cargadores portátiles son grandes, que puede cargar su teléfono sin estar atado a la salida. Muchas personas están en movimiento, como caminar o andar en bicicleta afuera en un agradable día soleado y luego el teléfono muere y su cargador portátil, o
X cargador Solar

X cargador Solar

¿Por qué X cargador solar? En primer lugar, la energía solar es renovable y sostenible, mientras que el panel solar proporciona fuentes de energía no contaminante y ofrece nuevos niveles de independencia para los consumidores de energía. Con el sopor
Asiento de ventana cargador solar

Asiento de ventana cargador solar

maximizar su cargador solar con este carrito ventana reflexiva: colgar en la ventana, poner tu cargador solar en él y doble en potencia verde todo lo que gloria desde el amanecer hasta el anochecer!DESCRIPCIÓN:Reciclaje es grande en nuestra casa (y e
Cargador solar

Cargador solar

Hola,En esta guía paso a paso que voy a enseñarte a diseñar y construir un simple cargador solar.Lo que necesitarás:1) panel Solar.2) módulo del cargador convertidor de refuerzo ajustable.3) cables eléctricos.4) cable hembra del USB.5) una caja.6) re