Paso 11: Una solución alternativa:

No sé gente, pero me aquí donde yo estoy, tengo un problema para encontrar el hardware del residuos de mezcla a poner el torno en movimiento, y si alguna vez decido construir este torno voy a tener que enfrentar un dilema muy grande.
Uno es encontrar cosas que no coincidirán exactamente, y voy a tener que pedir ayuda de un mecánico profesional para encajar todo junto. Que será muy costoso, desperdiciador de tiempo, y no es vale la pena.
La otra opción que tengo es importar todo el hardware necesario y motor desde el extranjero, que también será costosa, así que también podría comprar una fábrica nueva de torno y ahorrarme la molestia.
Pero hay una tercera solución que pensé, y creo que sólo podría hacer el truco para mí o.
¿Recuerdas esos taladros chinos baratos que usted puede comprar para cerca de 60 dólares?
¿Tal vez si usted puede conseguir sus manos en un taladro de segunda mano?
Será fantástico.
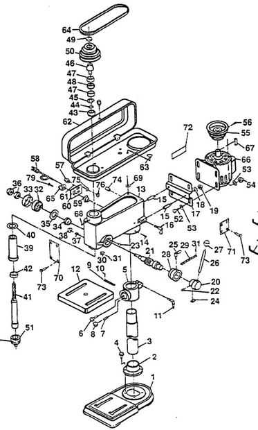
Se estarán preguntando qué hacer con el taladro... bien una prensa del taladro tiene la mayoría del hardware necesario y que tenemos que construir el torno.
Tiene un fuerte motor de 400W (1/2HP), las dos poleas con correa, tiene un fuerte eje, cojinetes y un mandril, lo tienes casi todo lo que necesita y coincidir juntos.
Puesto que las poleas tienen 5 pasos que dan las siguientes velocidades:
2650 - 1650 - 1220-850-580 RPM más que suficiente velocidad opciones de torneado.
Así que ahí lo tienen,
un 3 en 1 Banco torno - lijadoras - amoladora/sacapuntas
Espero que disfrutéis el instructable y pareció interesante.
Si decides construirlo, será agradable publicar alguna foto y cuéntanos tu experiencia en la construcción y girar con él.
Todos los comentarios, sugerencias, información e ideas son bienvenidos
Stelios L.A. Stavrinides
Nicosia - Chipre