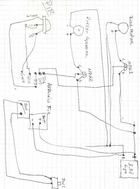
Paso 2: FIO




Arduino fio es un muy pequeño Arduino que ha construido en la batería y conexión para la batería lipo que es una gran opción para este tipo de proyecto. Estoy utilizando un clon de él aquí. Una nota importante es que para programar este tipo de dispositivos se necesita lo que se llama una tabla FTDI ya que no han construido en usb...
Así que todo lo conectamos como se muestra en mi dibujo, había soldado a todo derecho a la fio incluyendo los dos transistores. (sólo se muestra). He utilizado para proteger los conductores de cortocircuitos en la tubería del encogimiento.
La Fio tiene un lugar usted puede atar con alambre un simple interruptor para apagar y encender, que en esta situación es importante.
En este punto que lo tiene todo atado con alambre y puede probarlo.
En el software

![Luces de cama de Arduino! [Fade led Control con un botón]  Luces de cama de Arduino! [Fade led Control con un botón]](https://foto.askix.com/thumb/170x110/6/13/61300e8e5b64c7c8044fb50e1450891d.jpg)











