Paso 1: Toma de decisiones





Bien había planeado en el papel este fuera primero, y mi primera idea fue utilizar un altavoz piezoeléctrico y un pequeño motor de la vibración. Primera prueba ejecutarlo simplemente no era lo bastante fuerte. Así que tuve que repensar esta parte. Terminé de diseñar algo con una idea de un generador de ruido de fin de año he visto que es sólo un engranaje y una caña de plástico que gire alrededor.
Sucede que tiene un motor de la C.C. 3v agradable alrededor de en la pila de chatarra usé. Si usted quiere ser capaz de usar mi diseño como puede tratar de encontrar uno de estos motores, son comunes en unidades de CD y se puede encontrar en Ebay (mitsumi m25e-4). Segunda lección aprendida aquí es que mientras este motor funciona bien en 3v ejecutando directamente desde el pin de datos en el Arduino no dio suficientes amperios que cualquier fuerza, así que les mostraré cómo utilizar un transistor NPN de potencia directamente de la fuente y activar con el perno en su lugar.
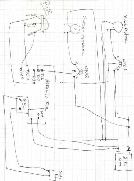
Permite iniciar con el PIR.
PIR significa sensor pasivo infrarrojo, este sensor tiene dos mitades que parecen en el infrarrojo en y comparar las dos mitades, si son diferentes pines de datos del senor va alto, que significa que hay un voltaje positivo en él. Esto nos conectamos a nuestro Arduino pin de datos 3. El VCC y el GND van a los 3,3 voltios y gnd en el Duino.
Mi pequeño motor tiene dos cables rojo y negro el negro que nos conecte a la tierra el rojo si aplicamos energía 3v el motor hará girar para que lo que hacemos es utilizar un transistor NPN como un interruptor.
Transistor NPN como switch es muy útil, el NPN tiene tres patas, cuando se observa el borde plano de derecha a izquierda Base, emisor y colector, si se aplica un voltaje muy pequeño al conector Base entonces tensión fluirá a través del emisor y el colector, por lo que damos la Base para nuestra Duino en PIN 6 entonces conectamos el emisor a 3,3 voltios directamente a la batería , Conectado en la parte inferior de Duino donde tiene el rótulo Batt +. Luego el colector está conectado al positivo del motor, luego cuando el pin del arduino 6 es alto (+ 3v) a flujo de potencia de la batería al motor.
Básicamente hacemos lo mismo con el timbre de Pizeo pero al Pin 7.
Había tan poco cableado que alambré solo los transistores directamente en línea.

![Luces de cama de Arduino! [Fade led Control con un botón]  Luces de cama de Arduino! [Fade led Control con un botón]](https://foto.askix.com/thumb/170x110/6/13/61300e8e5b64c7c8044fb50e1450891d.jpg)











