Autónoma de futbolín de mesa (1 / 5 paso)

Paso 1: Montaje del tablero de control del motor

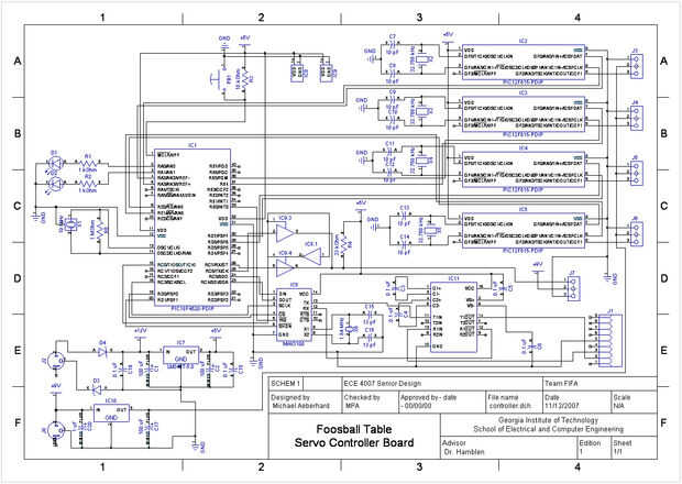
Las imágenes adjuntas son un completo circuito esquemático así como una foto del producto final para el tablero de control del motor. Todo esto requiere piezas pueden comprarse en la mayoría de los tiendas de electrónica en línea (incluyendo Mousery Digi-Key . Como nota, todas las piezas aquí fueron a través del agujero y así, las piezas se pueden montar en un breadboard/protoboard, o usando el diseño de PCB. Un paquete mucho más pequeño podría crearse mediante una serie de piezas de montaje en superficie.

Cuando implementamos el diseño, nos dividimos los controles del motor en 2 circuitos, aunque no hay ninguna ventaja en hacerlo que no sea cualquier particular esquema de cableado utilizado. La pequeña placa azul implementa los circuitos de control PWM, que es básicamente justo una PIC-12F registrado con algún código especializado.

Artículos Relacionados

Autónoma / voz controlada - 3D exploración plataforma de impresión 3D

Autónoma / voz controlada - 3D exploración plataforma de impresión 3D

La idea detrás de la voz controlada / autónoma plataforma exploración 3D permitir una digitalización captura 3D para trabajar tan suave como sea posible con el mínimo esfuerzo para la persona como realiza una exploración como para la persona cómo est
Miniquad autónoma (software)

Miniquad autónoma (software)

Ahora que han convertido su miniquad para ejecutar del Ardupilot mini siguiendo mi anterior instructivo, es el momento de configurar el software. En realidad, incluso si han construido un Ardupilot o Pixhawk base multicopter completamente separada de
Swarmscapers: Robots de impresión 3D móvil autónoma

Swarmscapers: Robots de impresión 3D móvil autónoma

Swarmscapers es un mes 2 proyecto de larga investigación realizada en el estudio de Máquinas de arquitectura creativa , impartido por Jason Kelly Johnson y Michael Shiloh en el California College of the Arts en el Laboratorio de Arte Digital. Es una
K-9 2.0. Perro Robot controlada y Autónoma de WiFi.

K-9 2.0. Perro Robot controlada y Autónoma de WiFi.

NOTA:En el paso 22, he publicado una actualización, explicando algunos recientes cambios y mejoras que he hecho, principalmente al sistema eléctrico de K-9 y sensor de matriz que puede encontrar útiles.CaracterísticasAcrílico diseño y resistente made
Autónoma móvil armas para RPG juegos

Autónoma móvil armas para RPG juegos

el "poco zerstorung".Escala: 28-30mmSistema: Dioses de guerras extraño vapor, guerra mundial raro,Perfecto poco proyecto para al usted los jugadores de mesa RPG. Los planes e instrucciones está disponible gratis para descargar en http://desktopw
3D impreso Sumobot [autónoma RC, Multiplayer Bluetooth]

3D impreso Sumobot [autónoma RC, Multiplayer Bluetooth]

Finalmente la impresión 3D ya está disponible en nuestro país ahora tiempo para hacer buen uso de ello...Parte autónoma voz controla funciones [MODE]Hoy he actualizado este instructable para tener funciones autónomas en el mismo camino de voz funcion
Brazo robótico de Gripforce autónoma estabilizador

Brazo robótico de Gripforce autónoma estabilizador

El Brazo robótico autónomo de Gripforce estabilizador es un brazo de robot capaz de aplicar la cantidad exacta de presión necesaria para levantar cualquier objeto sin romper ni dejarlo caer, como se puede ver en el video. Primero se demuestra en el m
Autónoma con energía solar Twitter comedero

Autónoma con energía solar Twitter comedero

el concepto es simple en la superficie; construir un comedero energía solar autónoma que detecta el movimiento, fotos de broches de presión y carga en Twitter.  El resto de los datos de este artículo a la construcción de un aparato de esos y lo nuest
PiniSEA - un barco océano autónoma - mar Tracker

PiniSEA - un barco océano autónoma - mar Tracker

El vehículo verde agua autónoma para rastrear el océano. Mecánicamente se inspiró en "Wave Glider" y tiene el propósito principal para rastrear el lugar de pesca. También puede utilizar para medir la condición del ambiente en el océano (nivel de
Loro autónoma AR Drone 2.0 vuelo

Loro autónoma AR Drone 2.0 vuelo

Este instructivo le dará una forma muy sencilla y rápida (< 15 minutos) para tener un loro de AR Drone 2.0 volar autónomamente con código escrito por ti! La mejor parte de este proyecto es sólo requiere el drone y una laptop (mac o windows). Sin modi
¿R/C autónoma Tonka camiones con seguimiento de cabeza de FPV (Tonka Cumbre construir)

¿R/C autónoma Tonka camiones con seguimiento de cabeza de FPV (Tonka Cumbre construir)

recuerda en el día, jugando con su gran camión Tonka, correr a través de todo, sentir que fue un impresionante camión que podría ir a cualquier parte? O ¿vives en un área urbana relativamente y le encantaría ir cubriendo pero no puede porque es demas
ASPIRADORA autónoma (Intel IOT)

ASPIRADORA autónoma (Intel IOT)

Este proyecto funciona en unaexcelente oferta de mecanismo reflejo. Se trata de una idea básica de desarrollo de una "aspiradora autónoma", que ayuda a reducir las tareas diarias de trabajo en casas, oficinas etc...Paso 1: IdeaEste proyecto func
Tanque de Arduino autónoma (A.A.T)

Tanque de Arduino autónoma (A.A.T)

Hola a todos, este es mi primer robot. Soy estudiante de primer año 15 año de edad. He estado interesado en robots desde el 6to grado y estado tratando de construir uno desde entonces. He decidido llamarlo A.A.T porque es un tanque de arduino autónom
Autónoma centinela Paintball

Autónoma centinela Paintball

hacer tu propio, personalizado centinela autónomo.Un subcampeón ganador y finalista del concurso de microcontrolador.Este instructable es obsoleto. Para la versión más reciente del tutorial, consulte el sitio web . ¡ Saludos!Este centinela arma autón