Atmel Inicio 5: Lifeline (4 / 13 paso)

Paso 4: Informe sobre el circuito y el Cable de adaptador

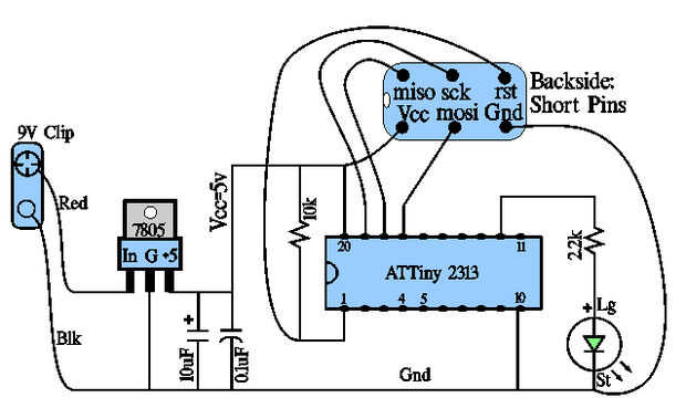
Figura 8: Diagrama esquemático del circuito.

En este punto, el circuito de protoboard y el cable del adaptador deben se han construido. Este paso proporciona instrucciones breves. Todos los detalles [0] pueden encontrarse en Startups 1 y 3.

Asegúrese de que ha conectado el circuito de protoboard como se muestra en la figura 8. Tenga cuidado de que el terminal positivo de la batería de 9v se conecta el regulador de entrada y no el riel de 5v en la parte superior de la placa. Tenga en cuenta: no revertir el sesgo el MCU (o bien kaput), no revertir el sesgo el condensador (o bien apestoso kaput), no revertir el sesgo el LED (o quizás nada). Los condensadores y las resistencias tienen el valor impreso en el lado o bien tienen y como se muestra en las referencias [5,6]. Para el LED, elija rojo o verde para el uso con la 2.2 resistencia k se muestra en el esquema. Azul va a estar bien, pero quizá quieras cambiar el resistor a 1.5k para hacerlo más brillante.

El adaptador aparece en la parte superior de la figura 8. Se construye usando un jefe masculino de dobles de la fila disponible en Amazon.com por ejemplo. Clip un trozo de la cabecera para tener 2 filas, 3 columnas. La soldadura de alambres sólidos recubierto de plástico de 24guage de 6 pulgadas al lado corto de los pernos por Figura 8. Aplicar epoxi secado rápido al lado de la cabecera con los pernos cortos asegurándose de cubrir parte de los cables (no más de alrededor de 1/4 de pulgada y teniendo cuidado de no poner cualquier epoxi en el lado más largo de los pernos. Etiquete los cables según la figura 8 de este texto.

Artículos Relacionados

Atmel Inicio 4: Dos Blinky, interruptores, resistencias pull-up y poco Ops

Atmel Inicio 4: Dos Blinky, interruptores, resistencias pull-up y poco Ops

Figura 1: Interruptores de ejemplo que pueden utilizar resistentes a las tracción MCU, delantero: foto resistor, transistor de la foto, botón; Parte posterior: ejemplo clave los cojines.M. A. Parker c2015Dos Blinky demuestra cómo el MCU puede leer fá
Atmel Inicio 3: Binky uno – puerto, PIN, DDR y LED

Atmel Inicio 3: Binky uno – puerto, PIN, DDR y LED

M. A. Parker c2015Blinky, el LED que parpadea, se muestra cómo utilizar el lenguaje C y C++ en el estudio de Atmel (AS) para controlar el Atmel MCU puertos de entrada y salida (es decir, IO) y revela la vida 'secreta' de los registros del puerto de A
Atmel Inicio 2: Fusibles y circuitos de microcontroladores

Atmel Inicio 2: Fusibles y circuitos de microcontroladores

M. A. Parker c2015Fusibles y circuitos crea un circuito simple pero importante en protoboard de un experimentador que se utilizará como plataforma básica para muchos proyectos de microcontrolador y los parámetros del microcontrolador (es decir, fusib
Atmel arranque 1: Estudio de Atmel y programador

Atmel arranque 1: Estudio de Atmel y programador

M. A. Parker c2015Estudio instalación de Atmel (AS) y un programador representan los primeros pasos [0] en el camino al uso de una unidad individual de Atmel AVR microcontrolador MCU [1] en contraposición a la MCU-en-una-junta como Arduino [2]. Aquí
Arduino en todo tipo de Atmels

Arduino en todo tipo de Atmels

Hola,Este es mi primer instructivo, así que espero que alguien puede hacer algo bueno con él.Así que, ¿qué exactamente es esto?Imaginar: Están trabajando en un proyecto. Desea programar en el lenguaje de Arduino debido a la simplicy. Pero no desea ut
Para empezar con AVR de Atmel y BASCOM

Para empezar con AVR de Atmel y BASCOM

He visto un montón de Instructables que muestra cómo trabajar con microprocesadores, pero todos asumen que han trabajado con ellos antes y saber lo que está haciendo. No he visto un Instructable que te lleva de la nada y se basa en cada paso.Lo que h
Reloj con microcontrolador Atmel de pared

Reloj con microcontrolador Atmel de pared

Es fácil construir un reloj electrónico en la actualidad. Todo lo que necesita es unos pocos componentes baratos, rudimentarios conocimientos y cierta experiencia en programación de soldadura.El reloj de arriba es lo que hice para nuestra habitación
Cómo obtener fichas de Atmel

Cómo obtener fichas de Atmel

la popularidad de la plataforma de desarrollo Arduino ha llevado al mundo de micro controladores de laboratorios de ingeniería y en la mesa de trabajo cocina mesa o garaje. También ha hecho chips Atmel en infame entre los entusiastas de la electrónic
Barato programador STK500 AVR de Atmel Studio

Barato programador STK500 AVR de Atmel Studio

Atmel studio es una herramienta poderosa para hacer programas AVR, pero escribir que un programa es el primer paso. Para utilizar el programa debe hacer un circuito y transferir su código en el microcontrolador. Puede programar el AVR de Atmel Studio
Como cambiar Inicio Programas Windows 7

Como cambiar Inicio Programas Windows 7

Explicamos cómo cambiar programas no deseados desde el inicio en Windows 7.Paso 1:Cuando se está ejecutando Windows 7, este sistema operativo ejecuta automáticamente ciertos programas cada vez que arranque su ordenador. Sigue este video para cambiar
Botón de inicio de Windows 7

Botón de inicio de Windows 7

El botón Inicio de Windows 7 es una herramienta muy útil en el acceso a los documentos y archivos del ordenador. En este artículo, explicaré cómo utilizarlo con eficacia.Paso 1: Paso 1: materialesEn primer lugar, usted necesita un equipo que ejecuta
Android Inicio servidor personal

Android Inicio servidor personal

Este tutorial cubrirá un Android Home Server con mi aplicación no oficial MyHomeServer.Con esta aplicación usted puede conectar su teléfono Android o tableta a otros dispositivos conectados al mismo WiFi de la red (en el hogar, trabajo...) y explorar
Mesa de muebles de palets - centro de comando de inicio

Mesa de muebles de palets - centro de comando de inicio

Este es el centro de comando de inicio que he construido para mi esposa y yo (y, como se puede ver, nuestro 1 año de edad). He estado haciendo muebles de palet para un rato ahora, y este ha sido el proyecto más grande hasta ahora.Alquilamos un lugar
Inicio sistema hidropónico Vertical hecha

Inicio sistema hidropónico Vertical hecha

vi un sistema hidropónico vertical que me gustó, pero lo que no me gustó fue el precio de $500.  Me lo pensé un rato y decidí que pude diseñar mi propio sistema similar por mucho menos dinero.  Después de un mes de pasar los fines de semana corriendo