Paso 5: Construir 7 segmento LED pantalla (PCB impreso)




Estoy usando Altium Designer para crear el diseño de PCB. Pero puedes usar otro software tal Eagle, Protel / Proteus con el esquema que adjunto ya.
También se añade un diseño de PCB para la transferencia directa de toner. El diseño es ligeramente diferente del prototipo mostrado en las fotos. Hay un poco diferente ruta alrededor de los LEDs, porque no puedo encontrar el primer diseño de mi PCB en mi computadora, por lo que yo debo rediseñar.
Paso 1
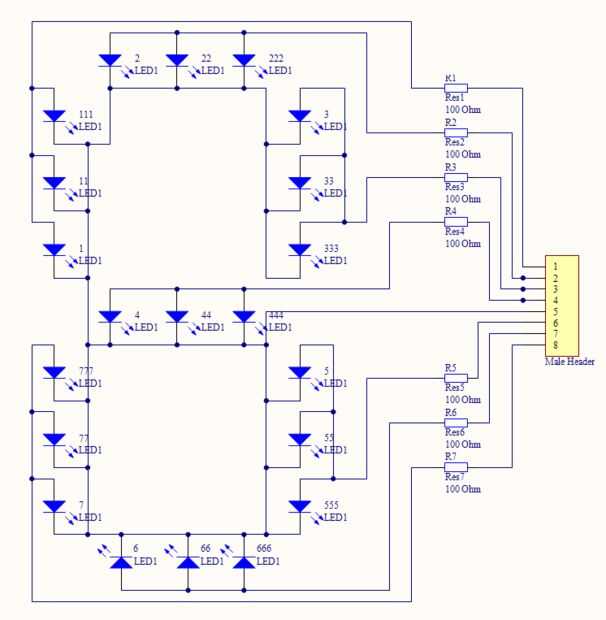
Poner los LEDs en orden, la combinación depende de usted, pero me gustaria hacer la combinación como se muestra en la imagen 3. La razón de la combinación es que los LEDs verdes y azul no se entremezclan entre sí. Les cruzó y poner series de LEDs rojos y amarillos con ellos en una fila.
Paso 2
Soldadura con cuidadosamente.
Paso 3
Añadir resistencias al lugar. y con soldadura con cuidado.
Paso 4
Soldadura 8 masculinos encabezados (extendidos) boca abajo, porque se conecte los cables en la parte posterior del PCB. Y doblarla un poco (ver imagen 4). Esto es para la eficiencia.