Paso 1: Vamos a empezar

Mi UWS es bastante simple: el sensor mide la distancia del nivel del agua basado en el tiempo un sonido de alta frecuencia (40kHz) pequeño tarda en llegar el agua y rebotan al sensor.
Dependiendo de sus características físicas de la máquina de espresso, debe localizar un lugar conveniente para el sensor, mantenga en mente debe "ver" agua superficie como más verticalmente posible. Mi café tiene una tapa con bisagras sobre el tanque, así que decidí poner el sensor de allí, pero puede utilizar diferentes enfoques (es decir, si tienes una tapa desprendible).
Lista de partes:
- 1 x Arduino UNOr3 (o compatible)
- 1 x SR04 o SRF05 (mejor) sensor de ultrasonidos
- 1 LED x RGB
- 1 x LED rojo
- resistencias de 2 x 220 ohmios
- 1 zumbador x
- 1 x caja de plástico
- 1 x 12V fuente de alimentación de Arduino
los cables y algunos pernos de línea TEM con placas para soldar a
La solución que he elegido es que el sensor entero + arduino + LEDS dentro de una sola caja de plástico, instalada en la parte superior de la tapa, pero también puedes decidir poner el SRF05 sobre la tapa y Arduino en otro lado. En este caso debe proteger adecuadamente cable y circuito SRF05.
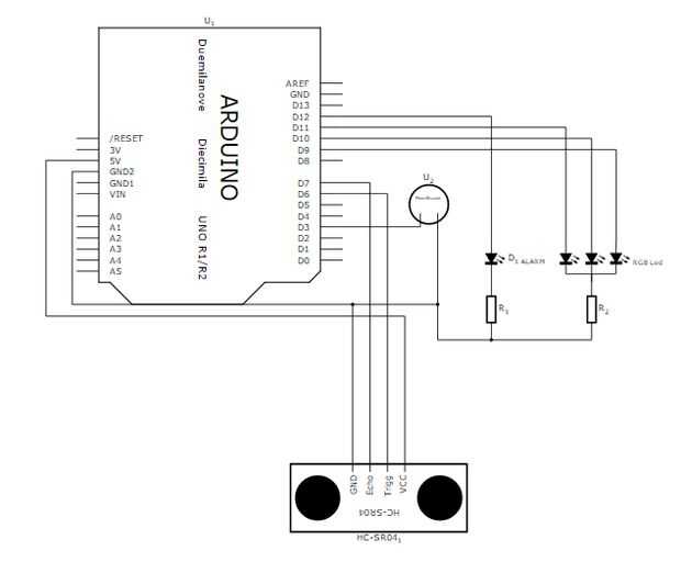
La imagen de arriba muestra los esquemas todo.