Paso 6: Y jugar...





- En Visuino Seleccione el Puerto serie y haga clic en el botón de conectar (foto 1)
- En el Terminal serie se verá la distancia medida por el sensor (foto 2)
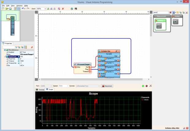
- Si hace clic en la Ficha ámbito también puede ver los valores en el ámbito de aplicación (foto 3)
¡ Felicidades! Han aprendido cómo conectar Ranger ultrasónico a Arduino y cómo programar con Visuino.
Puede ver el sensor de ultrasonidos Ranger conectado y funcionando en el cuadro 4.
En la foto 5 puedes ver el diagrama completo de Visuino .
También es el proyecto Visuino , que he creado para este Instructable. Usted puede descargar y abrir en Visuino: https://www.visuino.com