Paso 2: La base del edificio de la plataforma





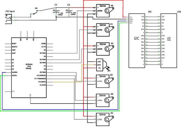
Para construir la base de la plataforma lo haremos en la primera necesidad para construir el PCB para conectar fuente de alimentación externa para los servos. La idea básica detrás de él y todo esquema de todas las conexiones se observan en el esquema. Diseño de la PCB está en el power_board_layout.svg. A toda la conexión de puntos en el rectángulo azul irá pins para la conexión de servos. En zona verde debe tomas para proveer energía a los otros accesorios como LCD y IrDA. En púrpura se muestra el punto de conexión del interruptor. Por la letra C son posiciones denota de condensadores. Cable de señal de última está conectada a tierra, éste se conectará a la toma GND de Arduino. Sin esta conexión, servos funcionaría muy mal.
A continuación se que deben cortar piezas principales de base de acrílico basado en base_top y base_bot de plantillas. En primer lugar, fijar la placa en la parte inferior con tornillos a través de los orificios C y fijar las tres patas de conexión (del archivo servo_arm.dxf) los orificios de la B1-B3. Siguiente lugar servos en la parte superior, servos deben estar instalados en los orificios A0-A5, su cable de señal debe ser conducida a través de orificios S y W, manera el derecho puede verse en una imagen proporcionada, conecte todos los conectores de servo a la Junta, también obtener todos los cables de señal ir en el Arduino a la parte superior a través de agujeros w. Fijar ahora el extremo del conector en la parte superior de la base, ahora deberá unir firmemente, si pueden mover servos, fijarlas con un poco de pegamento de pistola de pegamento caliente del derretimiento.
Atornille Tornillos distanciadores en orificios anuncio, fijar Arduino, conecte todos los cables. Fijar el interruptor en el agujero que junta de receptor IrDA SW. fácilmente se fija con tornillos a través de orificios. Para fijar la pantalla LCD es necesario fijar a través de correos de ayudante - se fija sobre la base de, LCD es fijo a él desde la parte delantera. También conectar todos los cables para LCD y IrDA.