Arduino basado en robótica Car(wireless controls+Autonomous) (9 / 13 paso)

Paso 9: Configuración completa

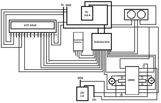
La final y las conexiones completas se muestran en el diagrama anterior.

Artículos Relacionados

Brazo Robot Scara casera DIY robótica marco proyectos Control de Arduino sorteo chasis

Brazo Robot Scara casera DIY robótica marco proyectos Control de Arduino sorteo chasis

Brazo Robot Scara casera DIY robótica marco proyectos Control de Arduino de sorteo de chasisMateriales:1 pieza de aluminio aleación 245 x 42 x 12 mm1 pieza de aluminio aleación 200 x 22 x 12 mm1 pieza de aluminio aleación 100 mm x 160 mm x 12 m m par
Cómo llegar en robótica, programación, Arduino electrónica

Cómo llegar en robótica, programación, Arduino electrónica

Integrar todos los campos STEM de robótica y hacer siempre cada cabrito loco. Puede ayudar a los niños a obtener experiencia práctica en mecánica, electrónica, Ciencias de sistema y equipo de control.Sin embargo, todos los robots en el mercado parece
Cómo hacer un Arduino basados en luz con control remoto infrarrojo de la noche!

Cómo hacer un Arduino basados en luz con control remoto infrarrojo de la noche!

Aquí está un Instructable que le mostrará cómo construir una noche de la Arduino basado en luz conpequeño control remoto infrarrojo que permite recorrer 10 pre set colores y un desvanecimiento al azarrutina de color que lazos para siempre.Este instru
Robótica móvil con Scratch: construir un andador de insectos basados en Arduino y programar con Scratch

Robótica móvil con Scratch: construir un andador de insectos basados en Arduino y programar con Scratch

¿¡ Escabullen alrededor? Esto está basada en Arduino fácil construir versión del caminante insectos hechos con alambre de colgador de ropa y diseñado originalmente por Jérôme Demers (véase también este instructable) y Gareth Branwyn. Viene en dos ver
Robótica de JavaScript y Arduino basada en navegador de control

Robótica de JavaScript y Arduino basada en navegador de control

Use su conocimiento de desarrollo web y JavaScript para controlar proyectos de Arduino e incluso robots (nodo + robots = nodebots)!Esto se hace fácil con node.js, una firmado y Johnny cinco. Vamos a empezar! Johnny cinco logo por Mike Sgier. Foto de
Moto Racer jugar mano robótica basados en Arduino

Moto Racer jugar mano robótica basados en Arduino

En siglo XXI el campo de la robótica ha surgido muy rápido y sigue trayendo nuevos avances tecnológicos a muchos sectores de la sociedad. Con la creencia de que es sólo cuestión de tiempo antes de que los robots rise y reemplazar a todos los seres hu
Mano en garra robótica prostetic basados en arduino barato

Mano en garra robótica prostetic basados en arduino barato

Este proyecto vino a la mente después de ser informado que Medicare no pagará por una parte, solamente el enganche. así que decidí intentar hacer una mano robótica. La partscost total es muy por debajo de $100.servo https://www.Sparkfun.com/products/
DIY mano robótica controlada por un guante y Arduino

DIY mano robótica controlada por un guante y Arduino

Esta idea de proyecto vino a mí cuando estaba sentada en una cama en una habitación de hotel mientras estaba de vacaciones. Pensé: "Sería muy prolijo que una mano robótica que puedo controlar con mi propia mano!" Al volver a casa, me embarqué en
Base de Arduino Nano Hexbug araña robótica de escarabajo

Base de Arduino Nano Hexbug araña robótica de escarabajo

La Idea:Para construir una araña robótica programable basada en escarabajo Hexbug, equipado con el siguiente conjunto de sensores:[video]Sensor de distancia ultrasónicoObstáculo infrarrojo sensores y equiposGiroscopioAcelerómetroPuntero láserEl robot
MrRobot - Ubuntu Mobile app habilitado robótica (Raspberry Pi y arduino involucrados)

MrRobot - Ubuntu Mobile app habilitado robótica (Raspberry Pi y arduino involucrados)

Proyecto MrRobot es que una aplicación de Ubuntu Mobile activado robótica que tiene la característica de voz, toque y agitar el control para interactuar con el robot Rapiro. Este proyecto se realiza dentro de 28 horas en Ubuntu Shenzhen Hackathon en
Plataforma robótica Arduino simple!

Plataforma robótica Arduino simple!

Acabo de recibir un Arduino después de jugar un rato con algunos Microcontroladores AVR durante reuniones del equipo de robótica.  Me gustó la idea de un chip programable realmente barato que podría ejecutar cualquier cosa desde una interfaz de compu
Mano robótica control mental

Mano robótica control mental

En este experimento, controlar una mano robótica de mi mentePaso 1: DescripciónEstoes un experimento de tecnología futura, no puedo creer que realmente si se puede controlar materia de menteAquí está la respuesta, sí se puede hacerEste experimento tr
CupBots - 3D plataforma robótica impresa para Arduino y frambuesa Pi

CupBots - 3D plataforma robótica impresa para Arduino y frambuesa Pi

Aquí es un proyecto de robótica de gran fin de semana para emprender con amigos o gente en su espacio local del fabricante. Usted necesitará una impresora 3D práctico 3D impresión los archivos STL adjuntan como parte de los pasos a continuación y una
Tambor robótica controlada por Arduino

Tambor robótica controlada por Arduino

Durante años que he estado diciendo quien escucha iba a construir un tambor de robótico. Mayoría de la gente de se encogió de hombros indiferentemente. Construyó, mayoría de la gente tipo de Miró sobre él y transmitió la indecisión. Parecía que nadie