Paso 6: Hacer el MP3 / AM transmisor





Para reproducir MP3s, necesitamos construir un simple transmisor de AM. Podría salir y comprar un modelo armonioso que transmisiones en más una frecuencia, pero más barato que he visto es $92,95 de http://www.sstran.com y no es muy pequeña o casi tan cool como construir uno desde cero que se esconde dentro de un radio. (Incluso si usted fue la ruta del "profesional", viene como un kit y todavía tienes que soldar entre sí... solo un pensamiento)
Ahora me gustaría pensar que soy lo suficientemente creativa para construir uno desde cero, pero crédito debe ser dar donde es debido. SCI-toys.com tiene algunos proyectos de electrónica realmente y esto es básicamente una copia ajustada de lo ya han hecho en públicos. Costo total de los componentes que he utilizado aquí fue alrededor $11.
Si nunca has soldado antes, no te preocupes. Sólo necesitará hacer 7 conexiones. Esto es fácilmente un proyecto de 1 fuera de 10. perfecto para principiantes. Este esquema es casi tan simple como obtiene, pero si te quedas atascado, dirígete a su sitio para un paseo completo por.
Asamblea
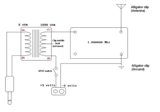
[:] Clip la pata central de 1 k ohm-lo en el transformador de audio cerca de la caja y colocarlo en el PCB, seguido por el oscilador. Tenga en cuenta la orientación del oscilador. La esquina inferior izquierda o "fuerte" debe ser lo más cerca posible del lado de ohmios k 1 del transformador.
[:] Voltee el PCB doble sobre y las patas del componente en la parte inferior de la Junta de la soldadura. Hacer un seguimiento de la soldadura desde el oscilador al 1 ohmio de k llevar el transformador como se muestra en el diagrama (marcado 'C').
[:] De corte y desforre unos mm de aislamiento de un; ength de alambre para hacer el clip de la antena. En general longitud variará pero no necesita más de 10-15 cm. de la soldadura de uno de los cocodrilos a un extremo y el cable de antena del oscilador a otro.
[:] Lo mismo para el cable de tierra, pero tierra del oscilador y el negativo (-) clip de la batería de 9v de soldadura juntos.
[:] 2 longitud de cable de la tira y realizar la toma de audio lleva. Si tienes un par de auriculares baratos, puede tomar un atajo aquí y utilizar una sección de 10-15cm de largo. 2-3mm del extremo de la tira y la soldadura en el lado de 8 ohmios del transformador audio (marcado 'A' y 'B'). No es necesario, pero si necesita, utilice pegamento caliente para darle la fuerza conjunta.
[:] Cortar un agujero en la cubierta del proyecto y Monte el interruptor SPST con 2 tornillos pequeños. La soldadura de la ficha final del interruptor para el positivo (+) 9v plomo y el otro al cable de transformador restante (marcado había ') con un pequeño trozo de alambre.
[:] Ahora es el momento para romper hacia fuera del multímetro y comprobar su trabajo. Sonda cada soldadura Junta de continuidad y comprobación de cortocircuitos. Si todo se ve bien, poner un pequeño trozo de cinta aislante sobre el oscilador para aislar del caso de la batería.
[:] Cortar dos pequeñas muescas en el borde de la caja del proyecto para la antena, tierra, cable de audio salida puntos. Conecte la batería de 9v al clip de la batería y embale la caja de plástico. Un nudo en los cables todos dejando la caja por lo que no puede accidentalmente tire a través.
[:] Cerrar el cuadro de y aplique una tira de Velcro a la espalda y el otro la radio (o dondequiera que usted decide montar el transmisor.
[:] Conecte la pinza de cocodrilo de "Antena" de antena de la radio, la tierra a masa de la carrocería y conecte el reproductor de MP3.
[:] Sintonizar la radio AM 1000.
[:] Encienda el reproductor de MP3.
[:] Encienda el transmisor.
[:] ¡ Disfrute!