Paso 2: Diseño y montaje de la Breadboard


. Corte para los cables longitud 4 swg #22 (4W) e insertar en el protoboard como se muestra en diagrama diseño.
. Usted puede utilizar otros cables, he utilizado cables de núcleo extraídos de cables de red comunes.
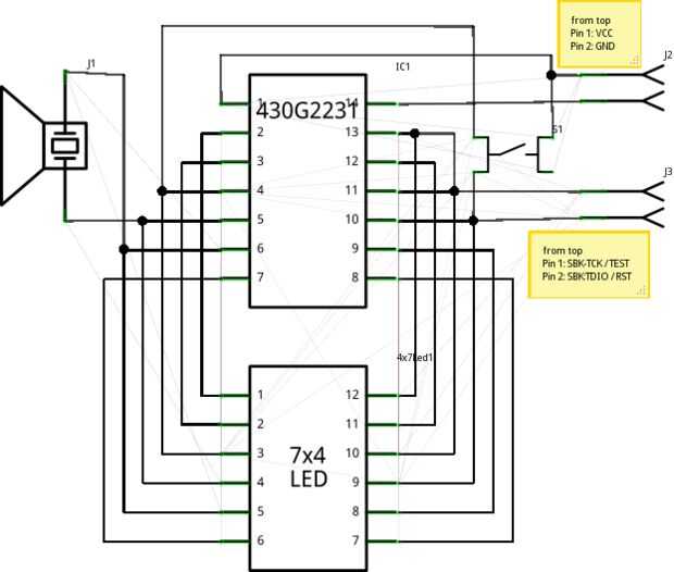
. Inserte el MCU (1 P) en protoboard según esquema de diseño.
. Insertar la exhibición de LED (2P), nota que reducen la fila de pines comparten los mismos orificios con MCU.
. Inserte el interruptor táctil (3P) y opcionalmente el zumbador 3V (4P).
. Diagrama esquemático adjuntado también para referencias.
También puedes ver el video en la primera página, que muestra el montaje completo y firmware subir más la operación de los procedimientos, dentro de 3 minutos.