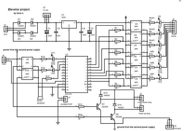
Paso 6: Algunas actualizaciones...

Tengo que informarle de algunas actualizaciones.
Noto algunos ruidos en la tierra del controlador debido también el relé que controla el motor.
Así que decidí separar los motivos con otra fuente de alimentación.
Echa un vistazo al nuevo esquema para entender