


En un anterior instructable presenté un simple AC TRIAC fader/atenuador que podría controlarse con un Arduino. En varias reacciones que tiene, un número de personas que expresaron su interés en un atenuador de 3 canales RGB. Pero ya no he visto todavía ningún resultado de los. Decidí probar yo mismo. Yo realmente estaba activado (sin juego de palabras por que la T1M5F600 TRIAC (LiteOn) que era bastante baratos (0,20 céntimos de euro) y se especificó como 1A 600V con una corriente de 5mA puerta. Es en una vivienda de TO92 y 1A parece más que suficiente para cambiar una lámpara de color que generalmente no tienen un alto voltaje para comenzar con.
BOM:
Para el regulador
resistencia 3 x 470 Ohm
3 x MOC3021 (o de otro tipo sin paso por cero)
3x1k
3 x T1MF5F600 Triac
1 x pin header 4 o 5
4 x conector
(y por supuesto una lámpara roja, azul y verde)
Para la detección de cruce por cero
resistencia 33kOhm x 2
resistencia 1x10k
1 x IL251 bidireccional optoacoplador o similar como EL814, LTV814
PCB
PARADA: Este circuito está conectado a un voltaje de 110-220. No construir esto si no está seguro sobre lo que está haciendo. Desenchúfelo antes de venir incluso cerca de la PCB. La placa de enfriamiento de lo Triac se une a la red. No lo toque mientras está en funcionamiento. Ponerlo en un caja/recipiente adecuado. ESPERA: Añadiré sólo una advertencia más fuerte aquí: este circuito es seguro si está construido y puesto en ejecución solamente por personas que saben lo que están haciendo. Si usted no tiene idea o si están dudando sobre qué hacer, lo más probable es que vas a estar muerto!
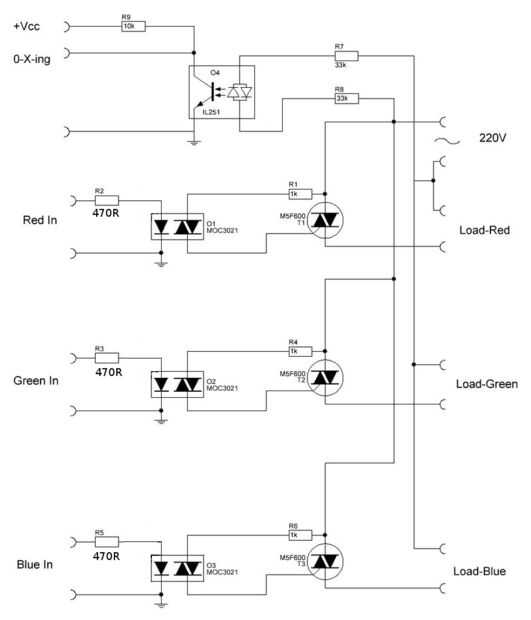
El circuito es bastante estándar. Consta de 3 Triac que son accionados mediante un MOC3021. Se puede utilizar otro Triac optoacoplador como no tienen una red incorporada de zero-cross como queramos o nosotros mismos decidir cuándo abrir el triac.
El circuito que hace el cero detección cruzada se mantiene bastante simple: un opto-acoplador bidireccional se alimenta con 220V AC donde las resistencias de dos 33 k causan limitación de corriente y una caída de tensión. En el lado seguro ambas resistencias deben ser 1 vatio. Es posible utilizar optoacopladores altamente sensibles y así limitar la corriente necesaria y con el limitar la disipación de las resistencias (por ejemplo, usando un 4N33), pero no conozco ninguna de esas que son también bidireccionales. Por lo que si se desea utilizarlos, también necesita un puente rectificador. Ver mi otro artículo: Arduino controlado lightdimmer
Por supuesto también es posible obtener la señal de cruce por cero del lado secundario de un transformador.