
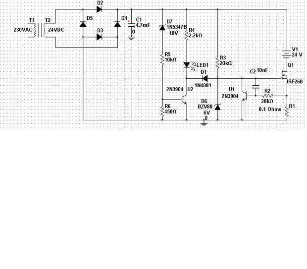
El cargador está en tres etapas; la fuente de alimentación, limitación de corriente y flotador cargan etapa.
En este diseño, se utilizó 240/24Vac(rms) transformador. Después de la rectificación y filtrado tengo sobre 30Vdc.Therefore el transformador y calificación del diodo debe elegirse bien para cubrir su demanda
En la actual etapa limitante, transistor U1, Q1 y el resistor R1 juega el roll vital en la limitación de la corriente; Cuando U1 se conecta corto circuitos la tensión de puerta de Q1 tal modo restringir el flujo de corriente a través de la batería bajo carga. U1 sólo cambiará cuando el voltaje a través de la base-emisor Vbe es hasta 0.7V. la caída de tensión en R1, determinar si la caída de tensión en R1 es hasta 0.7V U1 enciende entonces, I (corriente a la batería) = 0.7 / R1(sense resistor). Ley de ohms.
La etapa de carga de flotación viene a jugar cuando el voltaje de la batería ese hasta 28 VCC. En este diseño una vez que la tensión llega a 28 VCC, es mucho lo suficientemente grande como para hacer el Diodo zener llegar a voltaje de interrupción. Y una vez hecho esto enciende de U2 y por consiguiente corto circuito puerta de voltaje de Q1. El cargador ahora dice que es carga del flotador.
El LED se enciende cuando la batería está llena.
Nota: En la mayoría de los casos D6 es elegido para ser 10v pero 6v puede ser elegido para la lógica de los MOSFETs. Y este circuito limitador actual sólo permite MOSFETs canal N