16 paso secuenciador (+/-9V a +-15V) (1 / 5 paso)

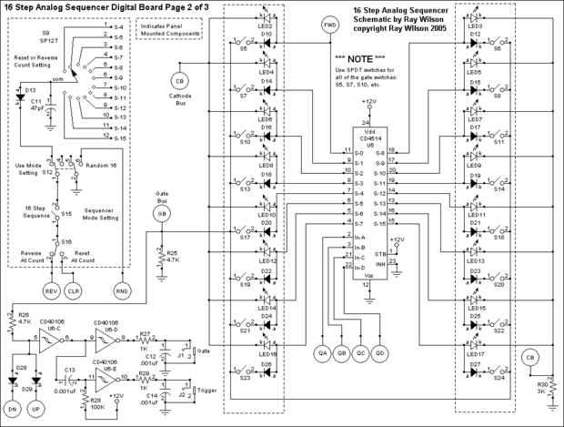
Paso 1:16 paso Secuenciador Analógico Digital tablero página 2

Como se explicó anteriormente 16 de U5 salidas ir altas correspondiente a la cuenta corriente (0 a 15) en las salidas de U4 (QA hasta QD). Se utilizan para alimentar el LED correspondiente a la cantidad actual de paso. Este LED le permite saber que conjunto de ollas gruesa/fina es la activa. Además cada salida (S0 a S15) se alimenta a un interruptor y el ánodo de un diodo que se utiliza para controlar en que pasos puerta/gatillo salidas se producen. Esencialmente las salidas de U5 son deben con la señal de reloj si se cierra el interruptor para un paso en particular. Recomiendo usar interruptores SPDT (aunque el esquema muestra SPST) para facilitar el cableado del panel como se muestra en el diagrama de cableado del panel. Nota que D13 y C11 se incluyen en el cableado del panel y no se muestran en el tablero de PC. Todos los LEDs, interruptores y diodos conectados a las salidas de U5 son también parte de los cables del panel. Puerta Bus (GB) no se muestra en el tablero de PC. Detalles de dónde conectar GB se explican a continuación en la sección de diseño de partes de PC.

Artículos Relacionados

MFOS! 6 panel frontal de paso secuenciador y pcb

MFOS! 6 panel frontal de paso secuenciador y pcb

Tras haber sido puesto por la cantidad de cableado necesario para terminar el secuenciador de paso MFOS 16 con la Junta de Variclock, me decidí a hacer un PCB para el panel frontal. Como medidas una fila completa de eurorack pude no grabe esto en cas
Arduino paso secuenciador

Arduino paso secuenciador

me preguntaba sobre hacer un secuenciador, un secuenciador del 16 paso grande era lo que quería hacer. Que es extensión completa con un montón de características incluyendo leds individuales para cada paso, midi de entrada y salida, etc.. Entonces me
Paso 8 – paso secuenciador

Paso 8 – paso secuenciador

Hice un pequeño secuenciador del paso 8. Puede establecer el tono con un potenciómetro y luego pasar al paso siguiente.Finalmente puede comenzar la secuencia.
Cicadaboom - 8 paso secuenciador y un sintetizador simple

Cicadaboom - 8 paso secuenciador y un sintetizador simple

este instrumento es fácil de construir y de la diversión para jugar con.Arduino (estoy usando duemilenova) en este instrumento está actuando sólo como fuente de energía y como un simple contador de tiempo, así que si no tienes uno que todavía puede c
Monotron Hack con un secuenciador de bebé 8 - CV y puerta

Monotron Hack con un secuenciador de bebé 8 - CV y puerta

aquí es cómo conectar tu Korg Monotron (que fue creado para ser hackeado) a un bebé de 10 (Google para más info) basado, 8 pasos secuenciador analógico con max. salida = 5V. Por favor tenga cuidado a menos que quiera estropear su Monotron. He intenta
HackerBoxes 0004: Réplica tres cincos y experimentos de Temporizador 555

HackerBoxes 0004: Réplica tres cincos y experimentos de Temporizador 555

Su tiempo es perfecto! Este mes, los suscriptores HackerBoxes construyen una réplica de Camaron, funcionamiento de la 555 viruta de los transistores discretos. También estamos trabajando en varios experimentos basados en el chip 555 temporizador vene
Sugarcube MIDI Controller

Sugarcube MIDI Controller

Este proyecto es un controlador MIDI portátil, accionado Arduino basada en red que arranca para arriba en una variedad de aplicaciones para hacer muchas cosas con el sonido. Cuenta con 16 botones retroiluminados, utilizados como entradas y salidas pa
Crear instrumentos electrónicos interactivos con MaxMSP

Crear instrumentos electrónicos interactivos con MaxMSP

Este Instructable es parte 3 de una introducción a la serie de MaxMSP acabo de terminar enseñanza Audio la misión femenina en San Francisco. Parte 1 es una introducción a MIDI y MaxMSP, parte 2 es intermedio máximo y Audio y este Instructable es todo
Intermedio de MaxMSP

Intermedio de MaxMSP

este Instructable es una continuación de introducción a MaxMSP, un taller de tres partes soy docente en Misión de Audio de la mujer en San Francisco.  Este Instructable ampliar los temas tratados en la introducción a MaxMSP y presenta algunas formas
Tubo trazador de curva

Tubo trazador de curva

Esto es para todos aquellos entusiastas del amplificador de tubo y hackers por ahí. Quería construir un amplificador estéreo del tubo que podría ser orgulloso de. Sin embargo en el curso de cableado para arriba he encontrado que algunos 6AU6s solo se
Secuenciador de paso multitonal y ruido de arte Sonic Blaster. E.Z. mi propio código de principiante.

Secuenciador de paso multitonal y ruido de arte Sonic Blaster. E.Z. mi propio código de principiante.

Mi primer arduino thing.simply entendido y bastante jerga liberan .drawing que muestra la teoría de los cables, conceptos básicos código explicaron lo mejor que puedamodo 1 es 33variable multitonos ruido máquina, total mayhem.el modo 2 es código 24st
Paso 8 FPGA secuenciador y sintetizador

Paso 8 FPGA secuenciador y sintetizador

En este tutorial, vamos a hacer un sintetizador de 8 paso de nuestro tablero FPGA. Vamos a trabajar con la Junta de Digilient SDMONexys 2 pero nuestro código se pudo modificar por otras tablas. Este proyecto fue construido por Lincoln Tran y Joseph C
Super sencillo de 10 pasos de arduino secuenciador

Super sencillo de 10 pasos de arduino secuenciador

Este secuenciador es tan simple que sólo necesita un paso para mostrarle cómo! Ahora es un secuenciador del 10 paso, pero podría fácilmente ser más justo al cambiar la variable "paso" en el código.https://Instagram.com/p/2_uf05wwEc/Todo lo que n
Reproductor de música robótica y secuenciador con LittleBits también conocido como Fruityloops IRL

Reproductor de música robótica y secuenciador con LittleBits también conocido como Fruityloops IRL

Así que, junto con muchos otros mamíferos, les encanta hacer música! Hacer sonidos goofy, diversión de colza, pero a menudo me encuentro tocando música por mi cuenta y deseo que yo tenía un amigo robot que puede dar algunos golpes malos. Por eso hice