WiFi Pinger (4 / 6 paso)

Paso 4: adaptador

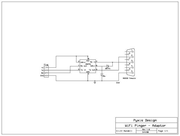
Antes de usar el pinger, necesitará configurarlo - esto requiere un cable adaptador especial.

El esquema a continuación y una fotos del proceso de construcción en los próximos pasos...

Artículos Relacionados

Cómo velocidad hasta Ping WiFi utilizando teléfonos Android

Cómo velocidad hasta Ping WiFi utilizando teléfonos Android

si usted está simplemente esperando que termine de cargarse. Así que Olvídalo. Ahora puede acelerar la velocidad de WiFi con estos comando pingPaso 1: Descargar el emulador de Terminal de Playstore Primer lugar. para el uso de Linux en Android que qu
Reutilizar un viejo router wifi para el internet de cosas

Reutilizar un viejo router wifi para el internet de cosas

Se ha disparado la popularidad de los dispositivos conectados a internet construidas Arduino shields u ordenadores de una placa como el Raspberry Pi y el Beaglebone, pero para tareas sencillas como controlar un relé, un sensor de lectura, regando su
Lámpara de Internet controlado con ESP8266 wifi relé IoT

Lámpara de Internet controlado con ESP8266 wifi relé IoT

Control de IoT ESP8266 wifi relé (ESP01) una lámparaInternet controlado eléctrico lámpara con ESP8266 wifi (ESP01) IoTInternet controlado lámpara con ESP8266 wifi relé IoTESP8266 (ESP01) es un transceptor WiFi muy bajo costo que puede añadirse a cual
Frambuesa Pi: Cámara IP completamente inalámbrica. Pack de batería solar, WiFi, cámara de Logitech, Raspbian

Frambuesa Pi: Cámara IP completamente inalámbrica. Pack de batería solar, WiFi, cámara de Logitech, Raspbian

este es uno de los primeros proyectos que hice con mi frambuesa Pi. Quería ver si podía hacer una webcam totalmente inalámbrica y configurarlo a través de internet. A continuación se muestran los pasos y elementos que utiliza.Todos los elementos exce
K-9 2.0. Perro Robot controlada y Autónoma de WiFi.

K-9 2.0. Perro Robot controlada y Autónoma de WiFi.

NOTA:En el paso 22, he publicado una actualización, explicando algunos recientes cambios y mejoras que he hecho, principalmente al sistema eléctrico de K-9 y sensor de matriz que puede encontrar útiles.CaracterísticasAcrílico diseño y resistente made
Edison de Intel como servidor de I/O de alta velocidad: entrada-salida análoga y Digital transmisión a través de conexión WiFi al PC cliente

Edison de Intel como servidor de I/O de alta velocidad: entrada-salida análoga y Digital transmisión a través de conexión WiFi al PC cliente

Este instructable es escrito como un diseño de referencia para aquellos que necesitan recopilar datos de los sensores y enviar por WiFi en un relativamente de alta velocidad. Con esta solución, fácilmente se alcanzan tasas de hasta 1000 veces por seg
El mejor adaptador USB WiFi y configuración para frambuesa Pi

El mejor adaptador USB WiFi y configuración para frambuesa Pi

Obtener el ancho de banda de la mayoría de su adaptador wifi. Escribí este instructable porque compré un adaptador de WiFi USB RT5370 que fue anunciado como conforme a 802. 11n, pero luchado a 1Mbps.Imagen: iperf3 los resultados con un microondas fun
Cómo conectar la placa Intel Edison con WiFi

Cómo conectar la placa Intel Edison con WiFi

esta - ible contiene los pasos para configurar el acceso a la red WiFi a la board Intel Edison y obtener una dirección IP.Paso 1: Montar la placa Colocar el Mini Breakout Junta en la placa de expansión, la pierna y conecte los cablesPaso 2: Seleccion
Proximidad de colega de Arduino Ping

Proximidad de colega de Arduino Ping

Esto es un notificador de Arduino colega proximidad.Función:Hace ping a direcciones IP para que aparezca la respuesta con LEDs. Si se recibe una respuesta, un LED correspondiente se enciende. También puede ping dispositivos móviles wifi conectado, o
Grabado laser QR y NFC WiFi tarjeta de acceso

Grabado laser QR y NFC WiFi tarjeta de acceso

Nombre rápido, lo peor de tener huéspedes en su casa. No, no es gente tocando sus cosas o poner sus pies asquerosos en la otomana de cuero de yak del Himalaya sin crueldad, cosido a mano. Es tener que contarle a todos y cada uno de ellos la enrevesad
Fácil plegable mesa de ping pong

Fácil plegable mesa de ping pong

Vamos a hacer una mesa plegable de ping pong como mi primer proyecto DIY publicado en instrucables.com. Las dimensiones reales de un una mesa de ping pong son 274 x 152 cm, debido a la dificultad de transporte, nuestra tabla se tiene las siguientes d
Wifi controló itinerante Webcam!

Wifi controló itinerante Webcam!

He tenido esta idea rodar alrededor en la parte trasera de mi cerebro por algunos años ahora que sería genial para montar una webcam en un coche de control remoto y construir un poco wifi habilitado a Marciano para mi casa. Pensé sería divertido ver
Salida WiFi DIY (HariFun #135)

Salida WiFi DIY (HariFun #135)

En este instructable, te llevaré a lo largo de mi viaje de la construcción de esta toma de WiFi.Paso 1: partesEl cuadro final contendrá:ESP8266 (cualquier versión hará)Módulo de relé de 5VAMS1117 Baja deserción reguladorResistencia de 1KToma de corri
Starling, de construir un modular WiFi activado LED tablilla.

Starling, de construir un modular WiFi activado LED tablilla.

Starling es modular compatible con WiFi, IoT habilitado display. Puede configurar starling con IFTTT. Si este que es bastante prolijo servicio que permite enviar mensajes desde cualquiera de los servicios populares como gmail, twitter etc para enviar