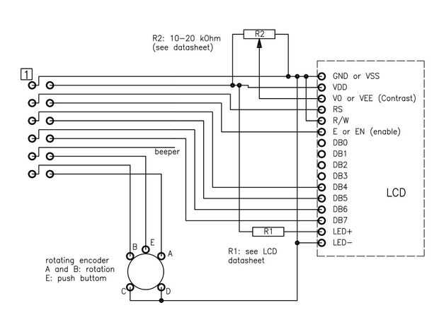
Paso 14: Conexión del LCD


Lo que usted necesita:
-1 x 2004 LCD
-1 x codificador rotatorio
-Algunos cables
Lo que hacen:
Conectar la pantalla lcd como en el esquema. Luego conectarse las clavijas del pantalla y codificador las rampas.
LCD pines---rampas 1.4
RS--> 16
E--> 17
D4--> 23
D5--> 25
D6--> 27
D7--> 29
Codificador de pines:
Pernos de dirección--> 31 y 33
Botón Pin--> 35
Después de conectar la pantalla a rampas de entrar en la configuración archivo de Marlin y comente en lcd:
#define REPRAP_DISCOUNT_SMART_CONTROLLER
Para
#define REPRAP_DISCOUNT_SMART_CONTROLLER
Que todo debería funcionar




