Uso de LEGO MINDSTORMS RCX Sensor de luz con Arduino (programa con Visuino) (11 / 12 paso)

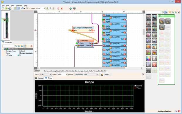
Paso 11: Conectar y configurar el componente de valor analógico comparar en Visuino

  1. Conectar la clavija "a" del Sensor de luz en el perno "en" del Valor analógico comparar componente (cuadro 1)
  2. Conectar la clavija "a" del componente de Valor analógico de comparar al pin "Digital" del canal de "Digital [13]" (foto 2)
  3. En el inspector de objetos, establezca la "CompareType" en ctBigger
  4. En el inspector de objetos, establezca la propiedad "valor" a entre 0,25 a 0,35 (puede que necesite experimentar para encontrar el mejor valor) (foto 3)

Artículos Relacionados

Sensor de luz de Arduino

Sensor de luz de Arduino

Hola chicos hoy voy a mostrarles como hacer un sensor de luz con sensor de Arduino.This se enciende un LED cuando hay oscuridad, usted puede utilizar esto como una herramienta de backup de energía cuando hay un corte de energía. Este es mi primer ins
Lego Nxt "Secretos": Sensor de luz música/varita

Lego Nxt "Secretos": Sensor de luz música/varita

diferentes programas incorporados en el firmware de Lego Mindstorms NXT que utilizan el Sensor de luz que utilizo para hacer "Música" y una "varita mágica".Video pronto de la música demostración.Paso 1: fuentes de Todos los suministros
Datos a excel desde un Sensor de luz de Arduino

Datos a excel desde un Sensor de luz de Arduino

Empecé este pequeño proyecto el otro día cuando vi que Instructables ha publicado un concurso para el uso de sensores, sin embargo su resultando ser un poco más interesante.Mi idea original era un proyecto muy simple (ejemplos de una forma u otra est
LEGO Mindstorm sonido Sensor

LEGO Mindstorm sonido Sensor

este es mi primer instructivo y espero que os guste! Es un diseño bastante sencillo y si sigues las fotografías debe ser capaz de hacer esto muy fácilmente.Paso 1: Estas son las piezas que se necesitaPaso 2: Poner las cosas juntasPaso 3: Poner más co
Alarma y Sensor de luz de Arduino

Alarma y Sensor de luz de Arduino

Esto es un diseño mío que se coloca dentro de una caja, cajón o nevera y un ruido de alarma cada vez que abres la caja, cajón o nevera. Se utiliza un resistor sensible a la luz y es tranquila cuando está oscuro (se cierra el cuadro) y reproduce un so
Arduino - Led y Sensor de luz con

Arduino - Led y Sensor de luz con

int led = 13;void setup() {}Serial.Begin(9600);pinMode (led, salida);}void loop() {}int sensorValue = analogRead(A0);voltaje del flotador = sensorValue * (5.0 / 1023.0);Serial.Print ("Valore:");Serial.println(Voltage);retardo (400);Si (tensión &
Tutorial un: Arduino interruptor de luz (No Arduino Programming necesario) [principiante]

Tutorial un: Arduino interruptor de luz (No Arduino Programming necesario) [principiante]

en este Instructable dirigido a principiantes en la magia de Arduino, le mostraré cómo hacer un circuito simple que no requiere programación para construir.  I esta dirigido para los niños como yo, que se asombran con el mundo de las computadoras y e
Aprendizaje Rock - Paper - Scissors Robot de Lego Mindstorms NXT!

Aprendizaje Rock - Paper - Scissors Robot de Lego Mindstorms NXT!

Hi todo el mundo!  Este es mi primer instructivo!Este es un verdadero ser - robot que aprende a jugar a piedra - papel - tijeras de aprendizaje!  Aprenderá cómo vencer a una persona 100% del tiempo!  Una persona no es necesario enseñar a lo robot jug
Sensor de luz: Enseñar fotorreceptores

Sensor de luz: Enseñar fotorreceptores

este instructivo está diseñado para ayudar a un maestro de ciencia a construir un sensor que puede utilizarse para enseñar los fotorreceptores de los ojos.  Incluye instrucciones paso a paso en la construcción del sensor, así como información sobre l
Domótica: Control de Base de relé Sensor de luz (Intel Edison)

Domótica: Control de Base de relé Sensor de luz (Intel Edison)

Hola todos, en este instructable, le mostraré cómo hacer su hogar inteligente.Cada noche antes de ir a la cama, tienes que activar el sistema de alarma. Por lo tanto, en este proyecto, usará el sensor de luz para detectar si se ha apagado la luz de s
Registrador de datos de Sensor de luz y temperatura

Registrador de datos de Sensor de luz y temperatura

En este tutorial hago una temperatura y registrador de datos de sensor de luz con un Arduino para que puedo probar diferentes ubicaciones para plantas o lugares para dormir afuera en el verano que no se llega a mucho solPaso 1: Lo que se necesita1 pl
Sensor de pulso ambiente Arduino casero

Sensor de pulso ambiente Arduino casero

Vi Open Hardware Sensor de pulso en el pensamiento que intentaría hacer en casa. Me llevó un rato, pero aquí está mi proceso de torpe.Paso 1: Sensor de pulso - ResumenHe estado trabajando en volver a hacer el Sensor del pulso del Hardware abierto por
Luz de Arduino después de Robot

Luz de Arduino después de Robot

ResumenEste instructable utilizará tres fotorresistores (resistencias dependientes de luz) y un Arduino para controlar el movimiento de un robot. Cualquier chasis robot comunes puede usarse para el robot. Los sensores de luz se montará en el lado izq
Sensor de luz lego DIY

Sensor de luz lego DIY

como los sensores de luz que vinieron con mi primer y segundo rcx donde no utilizable cuando quiera un robot guía láser, me diceded para hacer mis propios sensores de luzy aquí está mi primer instructable :)excusa me por mi mala Inglés que no soy bue