Paso 2: Circuito esquema receptor

RF basado en remoto mediante módulos de RX-TX (434MHz).
Descripción
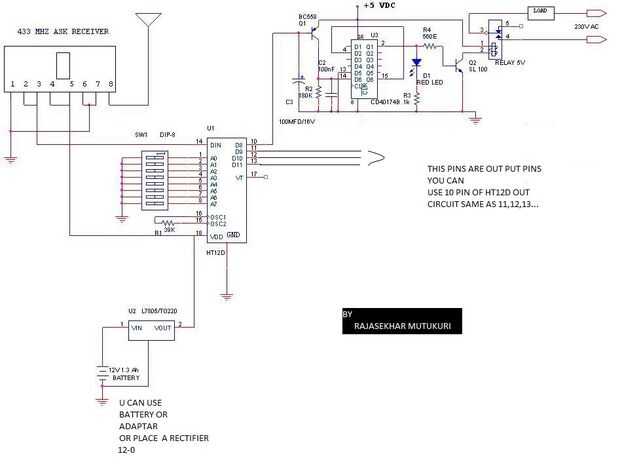
Este sistema de transmisión de radio frecuencia (RF) emplea amplitud Shift Keying (ASK) con par de transmisor/receptor (Tx/Rx), funcionando a 434 MHz. El módulo transmisor toma entrada serial y transmite estas señales a través de RF. Las señales transmitidas son recibidas por el módulo de receptor a de la fuente de transmisión. El sistema permite la comunicación unidireccional entre dos nodos, es decir, la transmisión y recepción. El módulo de RF se ha utilizado en conjunción con un sistema de cuatro canales codificador/decodificador ICs. Aquí HT12E y HT12D se han utilizado como codificador y decodificador respectivamente. El codificador convierte las entradas paralelas (de los interruptores remotos) en serie conjunto de señales. Estas señales se transfieren en serie a través de RF hasta el punto de recepción. El decodificador se utiliza después del receptor de RF para decodificar el formato de serie y recuperar las señales originales como salidas. Estas salidas pueden observarse en el LED correspondiente.
Codificador de IC (HT12E) recibe datos en paralelo en forma de bits de dirección y bits de control. Las señales de control de interruptores remotos junto con 8 bits de dirección constituyen un conjunto de 12 señales paralelas. El codificador HT12E codifica estas señales paralelo seriales bits. Transmisión se activa al proporcionar tierra a pin14 cual es activo bajo. Las señales de control se dan en el 10-13 pins del HT12E. Los datos en serie se alimentan el transmisor de RF a través de pin17 del HT12E
Emisor, al recibir datos en serie de codificador IC (HT12E), transmite inalámbricamente al receptor RF. El receptor, al recibir estas señales, envía al decodificador IC (HT12D) a través del pin2. Los datos en serie se reciben en el pin de datos (DIN, pin14) de HT12D. El decodificador entonces recupera el formato paralelo original de los datos serie recibidos.
Cuando se recibe ninguna señal en el pin de datos de HT12D, permanece en modo de espera y consume muy menos corriente (menos de 1μA) para una tensión de 5V. Cuando el receptor recibe señal, se da al pin DIN (pin14) de HT12D. A la recepción de la señal, se activa el oscilador de HT12D. IC HT12D luego decodifica los datos en serie y comprueba los pedacitos de dirección tres veces. Si estos bits coinciden con los pines de dirección local (pins 1-8) de HT12D, luego pone los bits de datos en sus pines de datos (pines 10 al 13) y hace el pin VT altos. Un LED se conecta al pin de VT (pin17) del decodificador. Este LED funciona como un indicador para indicar una transmisión válida. Así se genera la salida correspondiente en las clavijas de datos del decodificador IC. Una señal es enviada por bajar alguna o todas las clavijas 10-13 del HT12E y se recibe la señal correspondiente en el extremo del receptor (en el HT12D). Bits de dirección se configuran usando el usando los pernos primero 8 de ICs de codificador y decodificador. Para enviar una señal particular, pedacitos de dirección deben ser igual en el codificador y decodificador ICs. Configurando correctamente los bits de dirección, un solo transmisor de RF puede utilizarse también para controlar diferentes receptores de RF de la misma frecuencia.
En Resumen, en cada transmisión, 12 bits de datos se transmite de 8 bits de dirección y bits de 4 datos. La señal es recibida en el extremo del receptor, que entonces se alimenta en decodificador IC. Si bits de dirección conseguirán emparejados, decodificador convierte en datos en paralelo y los correspondientes bits de datos Haz bajados entonces que podría utilizar para manejar los LEDs. Las salidas de este sistema pueden ser utilizadas en lógica negativa o no puertas (como el 74LS04) pueden ser incorporados en el pins de datos.