Paso 1: Principio de funcionamiento


Esta aplicación se basa en el principio de medir el voltaje (amplitud y fase) a través de una impedancia desconocida cuando alimentado una ola de pecado de conocida frecuencia y amplitud a través de una resistencia conocida.
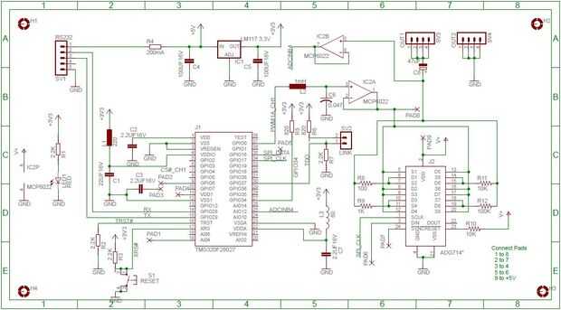
El hardware se construye alrededor de un micro-controlador de TMS320F28027 un ADG714 switch 8-puertos analógicos de los dispositivos analógicos y un Microchip rail to rail doble amplificador operacional MCP6022.
Una forma de onda PWM de alta frecuencia se genera en el micro controlador y modulada por una secuencia de 64-Bit pecado-onda. Cuando filtrada y tamponada forma una fuente de ondas de pecado (selecto capaz de 300Hz, 3kHz, 30kHz). La fuente de ondas de pecado está conectada a uno de los resistores de 4 (100, 1 k, 10k, 100k) utilizando el interruptor análogo. La resistencia seleccionada se conecta a la impedancia desconocida cuya segunda terminal está conectado a tierra.
Una vez que se han establecido una frecuencia y resistencia a la ola de pecado se genera en comando y 128 muestras de 10-Bit de Vout (fuente de la señal) y Vin (voltaje en la impedancia desconocida) son A/D convierte y almacena en la memoria interna.
Esta información se transfiere a un PC mediante un puerto USB con un convertidor de USB a TTL, que también alimenta el hardware.
Conveniente digital-procesamiento de señales en el PC utilizando el software de VS2103 GUI muestra la parte real e imaginaria de la impedancia desconocida. Esto se interpreta como resistencia, capacitancia, inductancia o impedancia compleja.