Paso 2: Diseñar el circuito de control

El diseño del circuito fue más o menos directo de mis necesidades. Allí debían ser 4 relés para el control motor y la calefacción. El sensor de humedad necesario I2C. También un zumbador y un LED de error eran dos exigencias obvias.
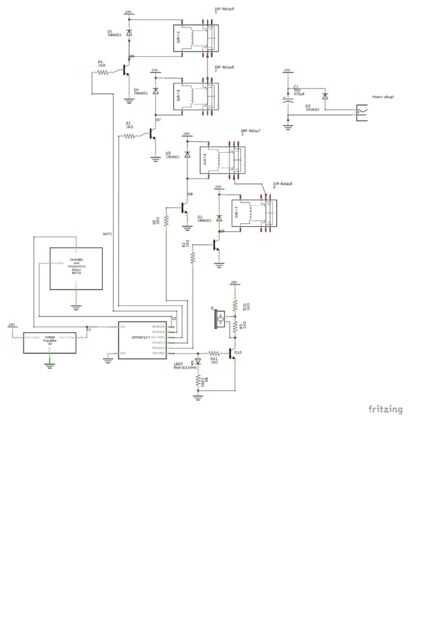
Mi primer acercamiento utiliza un Arduino Nano (que tal vez se veía en la foto borrosa en la introducción que he tenido tiempo). También he puesto todos los elementos en un tablero de raya. Yo había utilizado Fritzing para el diseño y que básicamente se parecía en el bosquejo anterior. Sin embargo, un poco más tarde sentí que esto debe ser factible wth un chip más barato que el Arduino y pude salvar el Nano para otros proyectos. Así que hice un diseño modificado con un Attiny 85.
Arriba a la derecha puedes ver la energía fuente. Tengo tantos izquierda sobre fuentes - simplemente escogí uno que podría entregar 24V (necesitado para los relés). Un idiota-diodo para evitar que las virutas tostadas de polarización incorrecta y un condensador de grasa. Un regulador de voltaje de 5V se utiliza el microcontrolador y el sensor. Debe haber un tantal condensador en el lado de salida pero me funcionaba sin. Sin problemas desde un año.
El sensor sí mismo necesita 5V, motivos y la línea de comunicación que conecta a MOSI (PB0) de lo Attiny.
Los relés se activan la misma manera. Un transistor funciona de un pin de los interruptores del microcontrolador un relé. El diodo en paralelo con el relé es esencial para proteger el transistor de corrientes producidas por conductividad del relé. Tres de los relés funcionan como interruptores simples (heat1, 2 y motor) y el 4 º es un palanca para determinar la dirección de giro del motor.
El último eje izquierdo del Attiny controles de error LED y beeper. El error LED sigue encendido del perno e indica fallas en la comunicación con el sensor (por suerte ninguno hasta ahora). La alarma emitirá sólo si el de están en una frecuencia audible. El LED con la luz cuando un pitido, pero que está bien. Para eso necesito solo uno (el último disponible) pin del Attiny.