Paso 2: Cómo lo ha hecho (el Hardware)

Así que tenemos una forma de energía con los botones de serie y devolver los botones de sus funciones normales después de la energía.
También queremos volver a la posición "bloqueada" después de la alimentación.
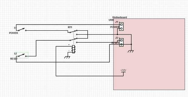
Bien, afortunadamente para nosotros, placas base utilizan señales bajas activas para la energía y restablecer funciones. Esto significa que los pines de señal están en altos y realizan su función designada cuando se conecta a tierra.
Para ello, podemos utilizar un DPDT (doble dos - el equivalente de dos interruptores de 2 vías) relé para hacer el cambio para nosotros.
He utilizado un relé de 12V. Cuando el sistema se encienda, el 12V salidas de la fuente de alimentación se activa y cuando acciona hacia abajo, por supuesto no hay una tensión allí. Esto significa que cualquier fuente de 12V de la fuente de alimentación funcionará para nosotros.
Del mismo modo, si tiene relés de 5V práctico utilizan una línea de 5V.
Desde que estoy usando 12V y no quiero hackear mi fuente en todo, aprovechado en una línea de alimentación del ventilador.
Cuando energía queremos que el botón de encendido conectado a la línea de señal de la placa base, pero queremos que tengan que pasar por el botón reset para llegar a tierra.
Esto significa que en el estado off, queremos línea de tierra del botón de encendido roto y conectado con el botón de reset, cuya línea de señal de reset se corte. El botón de reinicio después de todo debe proporcionar la ruta de acceso a la tierra.
Por lo tanto, obtenemos el relé para atar la línea de tierra cortada del interruptor de encendido a la línea de señal cortada del botón de reset.
Momento está encendido, el relé puede conectar entonces línea de tierra del interruptor a tierra y línea de señal del botón de reset a la señal de reset de la placa base.
Aquí es el circuito básico. Tenga en cuenta que las líneas que se cruzan entre sí no están interconectadas.