Paso 2:

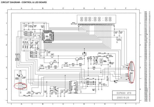
Volviendo de nuevo a la página 3 del manual de servicio, comprobar el conector RB502, CLK V, V-CS, V fecha de control VFD. También necesitamos tierra, IR (salida de receptor de infrarrojos) y + 5V. Un lector atento notara que también hay + 5V_STB en conector RB501 . Es 5V Voltaje espera que siempre se aplica. + 5V aparece sólo después de presionar cualquier botón de 'Espera' TA501 en panel frontal del DVD o botón de un mando On/Off. La fuente de alimentación es instruida para activar/desactivar + 5V vía PCON la señal. Pero con el fin de despertar el jugador desde un control remoto que solo original RC debe ser utilizado si no IC581 no reconoce el comando. Queremos que nuestro dispositivo trabaja con cualquier tipo de RC es por eso que nuestro microcontrolador debe asumir la responsabilidad de descifrar los comandos RC y control de señal PCON.
Por favor refiérase a la imagen, los puntos de hacking están marcados con elipses rojas.