Paso 3: Nariz electrónica









En términos más simples, es un circuito que toma una señal de interruptor reed y funciona un temporizador que tiene un interruptor de seguridad que, tras un período preprogramado de tiempo, se abre un camino en el MOSFET al condensador que enciende los motores de etapa segunda.
Más elaborado términos!
(1) un reed switch está conectado a un imán en el cohete de lanzamiento de la placa y envía las señales de entrada a la Arduino para indicar si el cohete ha dejado el cojín del lanzamiento.
(2) el Arduino lee la entrada desde el interruptor de láminas y se un pequeño LED encendido o apagado en el tablero sí mismo para indicar si el imán es hecho en el interruptor. Esto le permite comprobar la posición del cohete como se sienta en el cojín del lanzamiento para que la falta de un buen contacto no hará que los motores a incendiarse en su cara!
(3) un interruptor de seguridad pequeña activa el programa final en el que el retiro del imán del interruptor de seguridad (que se produce cuando los motores de fase 1 de Levante) activa un temporizador que pone en marcha los motores de etapa segunda aprox. 1,7 segundos después de que los motores de fase 1 se dispararon y murió.
Descargo de responsabilidad: Uno también puede usar un elemento piezoeléctrico para detectar la activación de los motores de fase 1 en lugar del interruptor de láminas. Sería fácil de hacer pero el programa tendría que ser un poco más complejo ya que tendría que tener una lectura inicial de las vibraciones procedentes del cohete y tendría que mantener de alguna manera el contador de tiempo para la duración (aprox. 2 segundos) de vuelo antes de los segunda etapa incendios. De lo contrario, podría restablecer el temporizador en vuelo y la puesta en escena podría terminar no tan favorable.
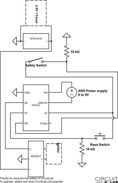
Construcción
La construcción del circuito perfboard es bastante sencilla y sólo debe tomar un par de horas más.
(1) en primer lugar, usted va a querer construir el control de potencia MOSFET. El paquete llega a contiene todos los componentes que necesitará y simplemente necesita soldar los componentes a sus respectivas a través de.
(1.5) el Arduino debe venir preparado como es cuando usted lo recibe, así que no te preocupes de nada que hacer (además de programación por supuesto!)
(2) la fuente de alimentación de Arduino es proporcionada por dos pilas de botón CR2032. Siempre y cuando estén cargadas debe proporcionar una fuente de alimentación estable. Sin embargo, como destino, algunos de mis células del botón de espacio no están todos en 6 voltios y agregar una celda de botón extra para conseguir el Arduino para que funcione correctamente. En cuanto a la construcción real es simple; el portapilas se sueldan junto con un cable entre el ánodo y el cátodo. PERO hay algo a tener en cuenta: Si usted compra el portapilas de Radioshack como lo hago, entonces la polaridad marcada en los titulares está mal (o por lo menos es para este proyecto). Esto es porque las pilas van en el soporte pero no estén sentadas correctamente, lo que los hace propensos a caer en el golpe más leve (y esto obviamente no se adapte bien para un ambiente de vibración de la abundancia). Sólo pretende positivo es negativo y viceversa y para mayor protección contra vibraciones, tomé algunos cinta aislante y envuelto firmemente e individualmente por cada titular.
(3) la Asamblea de interruptor reed es sólo el interruptor de láminas soldado en un perfboard con un polo que con cable rojo (que representa que va a los + 5V pin) y el otro polo tiene una 10 k resistencia y verde alambre soldada a él (representación de que el cable va al pin digital 7). El extremo abierto de la resistencia tiene un cable negro soldado a él (representación que va al pin GND).
(4) el zócalo/perfboard de Arduino es la parte más difícil pero debe ser bastante simple. En primer lugar, tomar los headers hembra y cortado a la medida, con dos hileras de 15 pines. Entonces, soldarlos a un perfboard con una anchura de 5 a través de. Directamente sobre la parte superior del encaje, déjese tal vez 3 de distancia. Soldar el interruptor SPDT el perfboard, luego en uno de los tiros del interruptor Solde un resistor de k 10 a la Junta. Luego, por encima, colocar los terminales del condensador y soldarlos tan de cerca al interruptor como sea posible. Después de que los componentes han sido colocados, todo lo que queda para la soldadura es los cables, yay!
(5) sobre la maraña de cables, simplemente lo destruyen por subgrupos de componente y debe tener un tiempo fácil para administrar todo. En primer lugar, usted va a querer cable rojo el lado positivo de la energía de celda de botón de la fuente al pin VIN, seguido por el negro cableado el lado negativo de la fuente al conector de tierra que está al lado del pin VIN. El siguiente es hasta los terminales de tornillo de la tapa. El lado positivo es de color rojo atado con alambre el tablero MOSFET en el borne señalizado con +, y luego el lado negativo es de color negro con cable para la el conector de tierra en el Arduino. El MOSFET ha su - terminal cable con el conector de tierra en el Arduino y el terminal C conectado al pin digital 5. El interruptor tiene su polo a los + 5V pin y el tiro tiene el resistor y un cable va al pin digital 8, con el fin de la resistencia que conectado al Pin GND.
Eso es todo! El tablero principal se hace! Buen trabajo!













