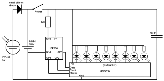
Paso 13: esquema

Las salidas PIC son conectadas a las entradas de luz estroboscópica, datos y reloj del registro de desplazamiento, y que sale de un pin PIC sin usar, que es tirado alto resistencia de 10 k.
El capacitor de 68nF está ahí para desacoplar fines cualquier valor +-un 50nF estaría bien e incluso se puede omitir totalmente si usted siente que puede llegar lejos sin él.
Cabe señalar que usted es mucho mejor utilizar fósforo/UV basado en LEDs (blanco, azul, verde fósforo) porque tienen una caída de tensión de 3V y por lo tanto es poco probable que el voltaje de la batería inferior a la mínima tensión del PIC y cambio de registro, mientras que si utiliza LEDs normales con una caída de voltaje de 2V, bien podría causa problemas cuando la batería está un poco baja.
Espero esto fue informativo, y que tal vez alguien tenga un ir en construir uno. Sienta libre de entrarme en contacto con si usted tiene alguna pregunta.
Gracias,
Pablo