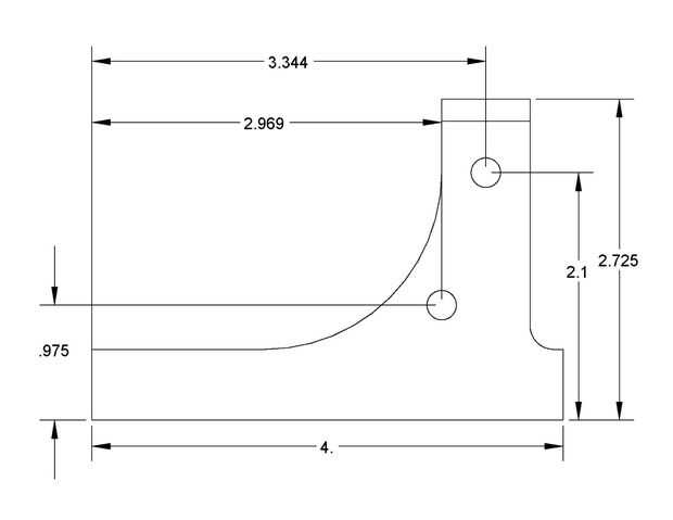
Paso 3: Soporte de la herramienta de mecanizado





Yo uso un cortador de HSS 3/16", por lo que yo puedo remuelen fácilmente para ajustar el radio de la punta. Para hacer el agujero cuadrado en el portaherramientas, había fresado una ranura, luego había molido un casquillo y sueldan con autógena los dos juntos.