Turner de radio (bola) de cambio rápido para torno de Metal (2 / 10 paso)

Paso 2: Mecanizado de las piezas

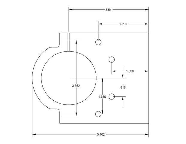
Usando una combinación de manual y técnicas de mecanizado CNC, trabajado a máquina las piezas de acero. Acero suave funciona bien, pero chromoly o herramienta acero podría funcionar incluso mejor.

Artículos Relacionados

ÁRBOL del bebé: 3D impresos montaje de cámara de cambio rápido para un Monitor de bebé

ÁRBOL del bebé: 3D impresos montaje de cámara de cambio rápido para un Monitor de bebé

"Nuestro monitor de bebé desapareció. ¿Supongo que donde lo encontré? Ver la impresora 3D de mi marido!"Sí, culpable. 'Prestado' nuestra cámara monitor de bebé de la cuna de kiddo a supervisar mis últimas impresiones. Pero en mi defensa, lo hice
Un Toolpost de cambio rápido de AXA tamaño de montaje en el torno del CNC Syil C6

Un Toolpost de cambio rápido de AXA tamaño de montaje en el torno del CNC Syil C6

hace 1 año compré un torno usado de Syil CNC de C6. Después de la construcción de un banco de acero resistente para montar el torno, puse configurarlo y familiarizarse con él.El C6 viene de stock con un poste de la herramienta rotatoria de herramient
Apagador de luz rápido para un vacío

Apagador de luz rápido para un vacío

mi modelo vacío tiene una luz brillante en la parte superior que me ayude a ver si va a aspirar debajo de los muebles. Práctico, pero desde que mis ojos son muy sensibles a la luz (me han dicho que tengo "grandes vasos"), es demasiado brillante
Enganche rápido para mascotas - Aggancio rapido por animali domestici

Enganche rápido para mascotas - Aggancio rapido por animali domestici

enganche rápido para mascotas¿Tuviste alguna vez fijar la correa de tu mascota lucha para colocar el anillo o los anillos? Así me sucedió a menudo.Esto sucede por ejemplo si: llueve y tiene paraguas, o si tienes otro perro con una correa, o tener a m
Creación de una radio de jamón VX-6 para el principiante

Creación de una radio de jamón VX-6 para el principiante

materiales:Licencia de Radio aficionado (necesario para operar legalmente la radio)Radio YAESU VX-6Estas instruccionesTiempo: 2-5 minutosProgramación y el uso de un portátil Yaesu VX-6 pueden ser una tarea compleja ya que la radio es casi en su total
BRICOLAJE fácil y rápido para el día de San Valentín

BRICOLAJE fácil y rápido para el día de San Valentín

¿tienes un extra de 15 minutos para un DIY fácil y rápido para el día de San Valentín? ¿Sin costo alguno? Hizo y subió con este lindo poco reciclado camiseta corazón para un no-coser además de decoración de su San Valentín este año. Y cuando el día d
Botón rápido para el teléfono móvil

Botón rápido para el teléfono móvil

Se trata de un botón rápido para un teléfono inteligente que utiliza la toma de audio.Paso 1: Las instrucciones de vídeobotón rápidoAquí es un método sencillo para crear un botón de hardware rápida o atajo para mart celulares. Utiliza el conector de
Cambio rápido de Color

Cambio rápido de Color

este es el método más rápido que conozco para cambiar el color de algo en una imagen mediante GIMPPortableo Photoshop. Hacer una apresurada selección con la herramienta lazo, lo de la pluma y ajuste el color mediante la opción ajustar sólo los azul e
Cómo hacer una radio de TS; Tan rápido como sea posible.

Cómo hacer una radio de TS; Tan rápido como sea posible.

Asumimos que ya tienes descargado Teamspeak. [Windows]Cerca de todos los clientes de Teamspeak actualmente en ejecución.Primero: Descargar e instalar este->http://vbaudio.jcedeveloppement.com/Download_CABLE...Siguiente:Encontrar un atajo de Teamspeak
Carretes de cambio rápido en el MakerBot Replicator

Carretes de cambio rápido en el MakerBot Replicator

cambio de rodillos en un replicador puede tardar algún tiempo, especialmente a la espera de la la cabeza de la extrusora para calentar así que usted puede descargar el color antiguo, luego esperando a calentar otra vez para cargar uno nuevo.He hice m
Camiseta de cambio rápido de velcro (incluyendo no-coser opción)

Camiseta de cambio rápido de velcro (incluyendo no-coser opción)

cambiar su estilo sin cambiar su camiseta(por favor no olvide votar!)Paso 1: se necesita una camiseta y un poco de imaginaciónelemento que desee attatchadhesivas con velcro (ignore el resto si va para el más 'temporal' no-cose versión)regular velcroc
EDREDÓN de cambio rápido: Redecorar la locura

EDREDÓN de cambio rápido: Redecorar la locura

como tantos de mis ideas, este proyecto fue inspirado por uno de mis hijos.  Mi hijo de seis años le encanta cambiar su habitación todos los días.  Aventura submarina a las ranas, al corazón, a las ranas con el corazón y en él va.Esta colcha cuenta c
Radio de dirección encontrar antena para VHF

Radio de dirección encontrar antena para VHF

necesitaba una antena para perseguir a una fuente de ruido... Después de mucho ruido y pocas yo colocado en algunos planes en la web, añadir mis propias modificaciones y tomó algunas fotos en el camino. Tiene un patrón de cardoidal con un profundo va
Molde de pegamento rápido para pequeñas cosas

Molde de pegamento rápido para pequeñas cosas

Aquí te voy a mostrar cómo hacer un molde de pegamento rápido, sencillo y barato para reproducir las cosas pequeñas.Paso 1: materialesSe necesita:1. aceite2 pistola de pegamento calientePaso 2: Preparar la cosa La pequeña cosa que usted quiere hacer