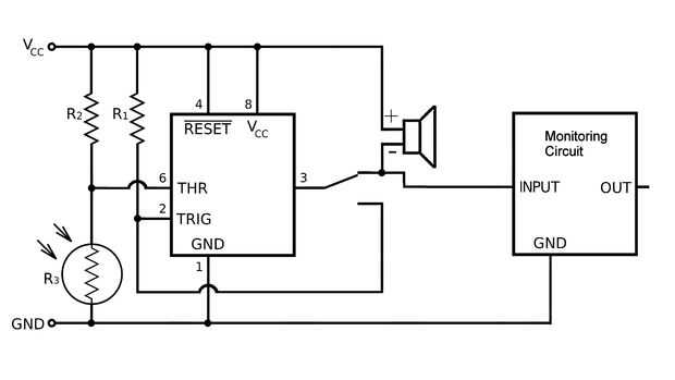
Paso 9: Opcional: Conecte el Tripwire láser a un sistema de seguridad más grande


Para conectar su tripwire láser a otro circuito, conectar las tierras de ambos circuitos. Luego conecte el cable que estaba conectado al terminal negativo del zumbador a la entrada de la señal del segundo circuito. Establecer el circuito de control para buscar una señal baja. Por ejemplo, si está utilizando un Arduino, cable con un conector de entrada digital y utilice al monitor de la función de digitalRead el cable. Cuando detecta una señal de baja tengo activar las alarmas.