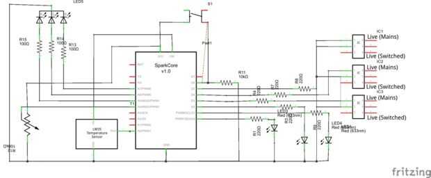
Paso 3: Diagrama esquemático y Hook-Up



Aquí está el esquema de cómo conectar para arriba y una imagen de uno que hice antes.
Asegúrese de que los voltajes de las cañerías están aislados con seguridad desde el lado de baja tensión del circuito.
Había ubicado el Sensor de temperatura y el LED RGB en una caja existente (viejo).
Como ya he mencionado la 3 red relés de control de la caldera y 2 válvulas electromecánicas.
La resistencia variable y botón de empuje se utilizan para alumbrado.
Si necesita reemplazar la temperatura, gire el bote hacia la derecha, el punto de referencia será el máximo valor programado o el valor establecido por el pot.