Paso 2: conexión





LM35 tiene configuración simple. Como se puede ver en la hoja de datos, centro de la pierna va a Arduino A0, y las otras dos patas son para tensión de alimentación.
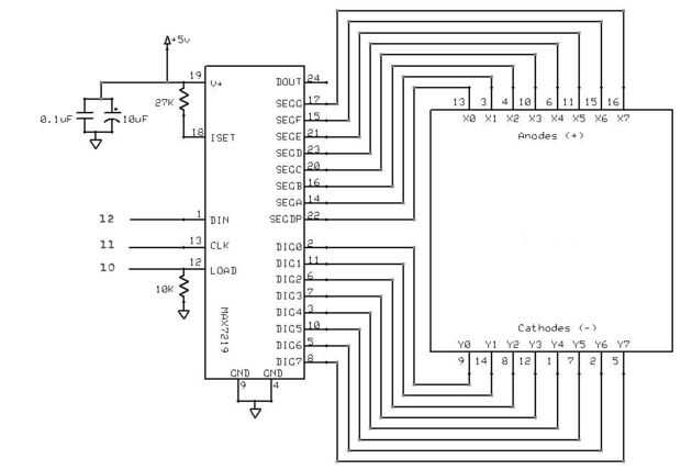
Y en cuanto a la parte de la matriz de punto, voy a consejos para ir a través página web primero, http://playground.arduino.cc/Main/LedControl de este Arduino .
Vas a entender cada basic para la interfaz Arduino con un controlador de LED MAX7129.
Si está utilizando protoboard, también he subido el esquema de conexión de MAX7219 y pantalla de matriz de puntos.