Teléfono portátil de USB - cargador de iPod con fuente de alimentación conmutada Swiched (1 / 4 paso)

Paso 1: Conexión a los reguladores

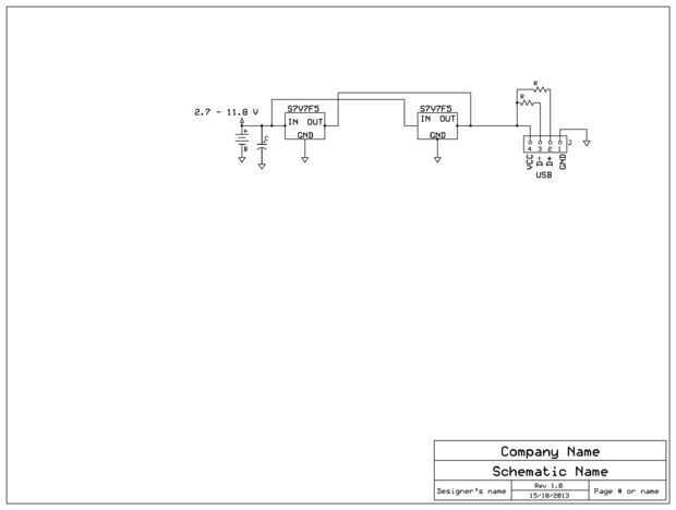
Como he dicho antes nos va cableado a los reguladores en paralelo, dando 2 amperios cuando se retira y 1 Amp al caminar, perfecto para la mayoría de los dispositivos electrónica como iPhone, iPod, dispositivos iPad Android y Windows. Y ya son también un paso arriba paso abajo puede usar con una célula solar para cargar dispositivos que utilizan la luz del sol, como empieza a oscuras la tensión de salida generada por la célula comienza a caer, que podría ser un problema con reguladores lineales, pero no con estos fuente de alimentación conmutada.

Ahora permite comenzar con el proceso de cableado.

En primer lugar existe el esquema de los S7V7F5 son los reguladores.

Artículos Relacionados

Cómo hacer un cargador de teléfono portátil

Cómo hacer un cargador de teléfono portátil

Este es un tutorial sobre cómo hacer fácilmente un cargador de teléfono portátil que cabe en un contenedor de Altoids.Por favor vote por esto si te gusta el proyecto!!!!Paso 1: preparaciónMateriales:Altoids contenedor o recipiente pequeñocargador de
Altavoz del teléfono portátil (LM380)

Altavoz del teléfono portátil (LM380)

este teléfono portátil altavoz utiliza un chip de amplificador LM380 y algunos otros componentes básicos. No es difícil de construir y el resultado es un altavoz de gran alcance y práctico que es compatible con cualquier dispositivo que salidas de au
Sostenedor del teléfono portátil Instamorph

Sostenedor del teléfono portátil Instamorph

No tienen dinero suficiente para comprar el nuevo Apple Watch entonces, introduciendo al nuevo titular de teléfono usable.Paso 1: materialesLos materiales que necesita para construir esta sería:Instamorph (usted puede conseguir algunos en este enlace
Cargador del teléfono portátil de mano Held

Cargador del teléfono portátil de mano Held

Paso 1: Reunir tus cosas Las cosas que necesitará:batería de 9 voltios DCCargador de coche portátilCable para cargarLo que vas a cobrarY un cuartoPaso 2: Primer paso Esto va a ser instruir el más corto capaz nunca va a Lee. Es tan fácil y divertido p
Cargador de teléfono portátil de Altoids fácil

Cargador de teléfono portátil de Altoids fácil

pido disculpas en avanzada para trabajar un proyecto terminado, la pintura no era buena, que no estaba usando una pintura spray para él.Paso 1: Elementos necesarios 1. Altoids Tin2. taladro con broca de3. cargador de teléfono4. pinza 9 voltios de la
Botón tapa de cargador de teléfono portátil

Botón tapa de cargador de teléfono portátil

El problema: Cuando llevo mi cargador de móvil en mi bolso, lo interior tiende a Presione el botón conectar. Realmente sólo debe activarse cuando lo estoy usando.La solución: Crear una cubierta que hace también el botón de fácil acceso cuando necesit
Soporte de teléfono portátil del corte del laser

Soporte de teléfono portátil del corte del laser

Este es mi soporte de teléfono corte láser portátil que he creado en mi clase de computadora integrado de fabricación, inspirado en el stand de teléfono fácil DIY por Aescobar Oretga. Espero que guste y tratar de hacer uno en su propio.Paso 1: Dibujo
Soporte de teléfono portátil

Soporte de teléfono portátil

Este es un teléfono que puede utilizar en el ir atando a su llavero y cabe fácilmente en cualquier bolsillo o cartera. Tiene un logo de baloncesto así como.Paso 1: Obtener los materialesMadera (1,15 pulgadas de espesor)Un láser de corteUna computador
MP3/celular teléfono portátil altavoz sonido

MP3/celular teléfono portátil altavoz sonido

http://www.dhgate.com/pv-ff80808130e5a32501311f19d5e86dbf.html
Micrófono portátil Insonorisation

Micrófono portátil Insonorisation

Crear un insorisation de micrófono portátil en menos de un minuto!Lo que usted necesita:un mic con un titular (ésta es la bola de nieve azul, creo que hoy es de 70$ en Amazon/Apple)una almohada vieja o una esponja grande o cualquier cosa que reduzca
Generador de viento portátil como un cargador de teléfono celular

Generador de viento portátil como un cargador de teléfono celular

En la India, hay mucha gente que todavía prefiere los trenes para viajar y pasar días juntos para completar su viaje. La mayoría de los trenes no ofrecen electricidad a pesar de que se dispone de tomas de carga. Incluso si lo hacen, se ve que esas in
Luz nocturna led del ordenador portátil del USB

Luz nocturna led del ordenador portátil del USB

este instructable surge de la necesidad para iluminar el teclado de la computadora portátil sin tener que mover la pantalla para recuperar algo de luz cuando se trabaja con el ordenador por la noche y sin otras luces. Tengo plástico que es ligero y n
Teléfono celular dest soporte holder cargador 3D en forma de corazón

Teléfono celular dest soporte holder cargador 3D en forma de corazón

hacer este soporte de teléfono celular para mi novia.Hay espacio para el cable de carga pasar entre las varillas.Usted podría hacer para que quepa todo lo que te gusta, cualquier forma que te gusta.Los niños podrían jugar con él como un rompecabezas.
Portátil batería copia de seguridad con actualizaciones

Portátil batería copia de seguridad con actualizaciones

Diy de batería portátil para acampar o sobrevivir a un apagón.Paso 1: Partes y materialesLas partes en el instructible es en su mayoría ya había, pero se pueden comprar en línea y en tu Walmart local. Para empezar este es mi primer instructible tan d