Paso 6: ¡ Funciona!


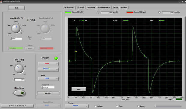
La forma de onda es en realidad una onda cuadrada, pero las características de la tarjeta de sonido causan que se distorsione.
Nota: Las tarjetas de sonido son dispositivos analógicos. No lo hacen bien con señales digitales.
La segunda imagen muestra una frecuencia de Hz 67,601 o 4.056,06 rpm. En esta frecuencia, la distorsión de forma de onda es extrema.
Ya que sabemos que se trata de una onda cuadrada, use los bordes delanteros para determinar pulsos positivos y negativos va.
Mi agradecimiento a Christian Zeitnitz para ofrecer su osciloscopio de la tarjeta de sonido gratis. Este es el alcance mejor (y más fácil) nunca he usado. Los controles y funciones son similares a un ámbito superior de banco estándar.
Descargar e instalar su copia:
Sonido tarjeta osciloscopio V1.41 © 2012 C. Zeitnitz
http://www.zeitnitz.de/Christian/scope_en
Construir esta herramienta y téngalo a mano cerca de la mesa de trabajo. Usando un tacómetro preciso es mucho mejor que adivinar las RPM por el sonido que hace que un motor.
SeeYa
wotboa