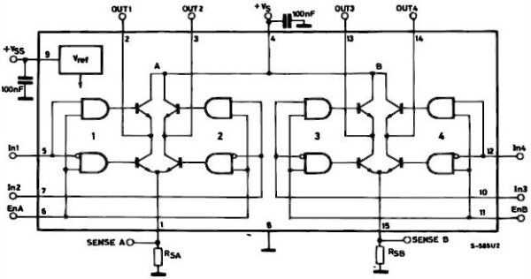
Tablero de controlador L298N controlador de Motor (2 / 11 paso)

Paso 2: Diagrama de bloques de L298N

Artículos Relacionados

Duplicar fácilmente la potencia de salida de un tablero de controlador de Motor L293D

Duplicar fácilmente la potencia de salida de un tablero de controlador de Motor L293D

Una manera fácil al doble la capacidad actual de los KEYES L293D Motor Control escudo Motor Drive tarjeta de expansión para Arduino (este método debe funcionar para cualquier chips L293D)Este es un método rápido y fácil para duplicar la corriente dis
Arduino Uno y Visuino: controlar Robot coche Smart con Joystick y L298N controlador de Motor

Arduino Uno y Visuino: controlar Robot coche Smart con Joystick y L298N controlador de Motor

Que coche elegante se establece cuando se combinan con Los módulos de controladores Motor L298N, ofrecen una de las maneras más fáciles de fabricar coches robot. El Módulo del controlador Motor L298N es fácil de controlar con Arduino, y con la ayuda
Programables de coches Robot usando Mediatek LinkIt un tablero y el IC del controlador de Motor L293D

Programables de coches Robot usando Mediatek LinkIt un tablero y el IC del controlador de Motor L293D

Con la ayuda de este Instructable, usted será capaz de hacer un coche Robot programable con Mediatek LinkIt un tablero y el IC del controlador de Motor L293D.Aquí, LinkIt una tabla se utiliza como controlador para conducir los motores en las direccio
Módulo de controlador de motores L293D / tutorial

Módulo de controlador de motores L293D / tutorial

L293D es un chip que nos permite controlar dos motores junto con una única placa de Arduino u otros microcontroladores. Sin embargo, que tenía un proyecto que requiere controlar cuatro motores juntos. Hace poco llevé un L293D Arduino Shields, cubrió
Caseros 100 HP controlador de Motor de un coche eléctrico

Caseros 100 HP controlador de Motor de un coche eléctrico

este instructable explica cómo construir su propio controlador de motor de 100 HP (pico) para su uso en una conversión de coche o moto eléctrica.  Puede tomar cualquier voltaje hasta 144v, y la corriente máxima es de 500 amp.  El costo de los compone
Circuito controlador de motor de $1 para Arduino

Circuito controlador de motor de $1 para Arduino

La historia de este escudo del motor es que yo quería hacer un robot para mi sistema controlado por ondas cerebrales multifuncional y decidí compartir esto con ustedes. Es un circuito muy simple utiliza el CI L293D que es un controlador de doble puen
BaW-Bot parte 2: Construir el controlador de motor y cuerpo

BaW-Bot parte 2: Construir el controlador de motor y cuerpo

esta es la segunda parte de nuestra fabricación de BaW-Bot (Bot de campanas y silbatos) – 5 Separe instructables que mire de diferentes tecnologías relacionadas con Arduino, combinan para crear un Bot con todas las campanas-y-silbidos.Parte 1: Constr
II GOduino = Arduino + controlador de Motor L293D Velocidad Variable

II GOduino = Arduino + controlador de Motor L293D Velocidad Variable

versionesGOduino II fue presentado en dangerousprototypes.com07/04/2012 he añadido una diapositiva del presupuesto para aquellos lectores que preguntaban donde obtuve mi presupuesto < $20 para el II de GOduino.INTRODUCCIÓNEl GOduino II es un controla
USB: - controlador de Motor DC con PIC18F4550 (teclado)

USB: - controlador de Motor DC con PIC18F4550 (teclado)

USB: - controlador de Motor DC con PIC18f4550 (teclado)Hola amigos,RequisitosInterfaz USB DEMO BoardChip de controlador de motor L293DUn pequeño proyecto en el control de motor DC con tablero del interfaz del USB pic18f4550 con motor L293D Driver.Una
Velocidad coche RC controlado con (controlador de controlador de Motor de CH 4 + Arduino + Bluetooth)

Velocidad coche RC controlado con (controlador de controlador de Motor de CH 4 + Arduino + Bluetooth)

Hola, ya que este es mi primer instructivo aquí, espero que te guste y no dude en preguntar sobre cualquier cosa no clara en él.En primer lugar, empecé este proyecto después de que quería controlar 4 motores que requiere de relativamente alta potenci
Poderoso controlador para motores DC

Poderoso controlador para motores DC

IntroducciónAquí es un fresco cepillado Motor de la C.C. que se puede utilizar para sus proyectos robóticos con ruedas dos grandes. La primera vez que hice esto fue para mi R2D2 réplica vida. En el momento R2D2 es necesita zapatos nuevos, por lo que
Tablero del controlador CNC (Multi eje)

Tablero del controlador CNC (Multi eje)

este es un instructivo para ayudar a alguien que está haciendo la Junta de controlador CNC por Tom McWire.Original InstructableDiseño sugerido de HowimTambién me gustaría dar las gracias woodspinner por contestar todas mis preguntas.Al hacer este tab
Configuración de un controlador de Motor paso a paso

Configuración de un controlador de Motor paso a paso

Si usted necesita usar motores paso a paso en una especie de camino para un proyecto, esta guía cubrirá cómo usted puede comenzar con el SlushEngine. Al final de esta guía, podrás mover 4 motores paso a paso a la vez. También aprenderás cómo utilizar
Controlador de Motor DC

Controlador de Motor DC

Este simple controlador de motor DC permite un control de motor la dirección y ha sido construida completamente de componentes eléctricos reclamados. Uso de MOSFET para control del motor en lugar de chips de control, permite una fuente de alimentació