Paso 2: El esquema y el diseño



Usé el águila de CADSoft para crear el esquema y el diseño. Es pequeño, simple y fácil de usar.
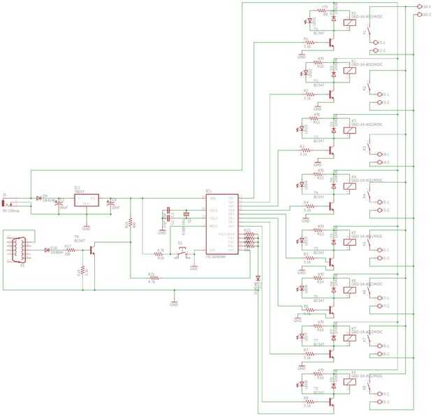
Una cosa importante a mencionar es el circuito RS-232 a TTL. Ya que es para recibir sólo, está compuesto por un par de resistencias, un transistor y un diodo. Usted puede seguir este enlace:
https://www.Sparkfun.com/tutorials/215
o esta otra:













