Paso 2: Construir y programar el circuito. Hack en bomba de aire




La electrónica se divide en dos partes. Esta parte es el extremo receptor. Se recibe una señal inalámbrica de la unidad portátil y usar esa señal para encender una bomba de aire durante 2 segundos y luego lo apaga.
Entre la bomba y el globo, es lo que se llama una válvula de retención, que permite el aire paso una dirección pero no la otra.
La bomba de aire es una Coleman recargable "Quickpump del". Me gusta debido a la batería y los accesorios de la nariz de tamaño diferentes.
Abrir la bomba y el interruptor de palanca, de la reanudación para que es puente entre la batería y un terminal del motor. La otra terminal del motor se ejecutará con el colector del transistor TIP120. Para ello, deberás de soldar el cable negro de la segunda terminal del motor y también la soldadura del plomo desde el cargador de batería y va al otro extremo del interruptor de cambio. Asegúrese de terreno común batería del motor con alimentación de arduino.
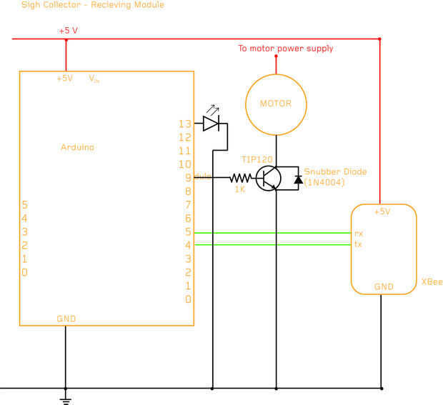
Construir el circuito en el diagrama de abajo. También hay un PDF adjuntado para mayor resolución.
Programar el arduino con el código en el archivo de texto. Usted necesitará instalar esta librería.
Si no sabes cómo trabajar con Arduino, aquí están algunas referencias para saber:
> Sitio web de Arduino principal
> Freeduino --conocimiento repositorio de Arduino y enlaces
> Universidad de Nueva York, de ITP centro interno de computación física con tutoriales y referencias.