Paso 8: Agregar Extras.






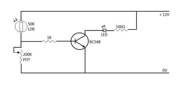
Una caja externa era propenso a golpes y cae por lo que decidí montar dentro de mi generador solar con un puerto USB separado en el lado por lo que un cable separado se puede conectar a este puerto y a la fuente de audio o incluso a la PC para editar música en el disco. Otro problema apareció, con el disco montado en el interior que no podía ver el indicador de LED para asegurarse de que era seguro desconectar la unidad, por lo tanto era necesario tener un LED externo montado en mi caja. He diseñado un circuito que utiliza una LDR blu-viró a la unidad de disco duro LED parpadee cuando brilló la luz del disco duro, en vez de abrir la unidad y conectar físicamente un LED externo que se anulará la garantía de las unidades. El diagrama del circuito se muestra aquí, diseñado para funcionar de 12 VCC para alimentar un LED entre 2-3 voltios en mi caso, un LED montado ordenadamente en un clip de montaje de panel de 3mm de Maplin para 34p. Ahora puedo tener mi música alimentado por el sol, actualmente tengo 2700 + canciones en mi disco duro, sin embargo mi particular headunit de Sony sólo puede leer 128 álbumes máximos en 500 canciones por carpeta, este es un problema para mí porque no puedo ajustar toda mi música en la que me gustaría.