Suministro de energía Solar portátil (4 / 9 paso)

Paso 4: La conexión todo!

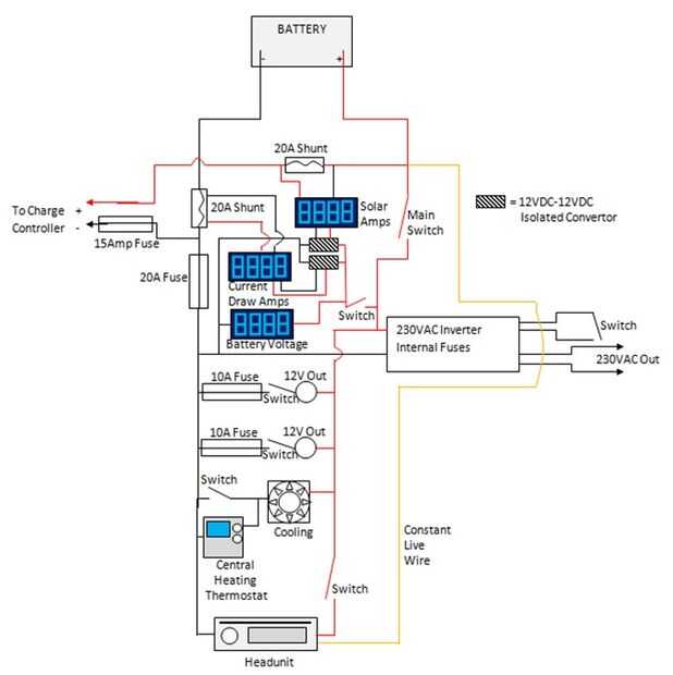
La parte más fácil, bueno, para mí de todos modos, fue cableado todo juntos. La mayoría de los dispositivos está conectada mediante barras de distribución. Los amperímetros de panel digital no se puede ejecutar el mismo circuito que está midiendo, por lo tanto los dos convertidores DC-DC son vitales para el proyecto. Tomar 11 a 15 voltios de la batería y convertirlo en una fuente aislada y regulada de 12 voltios. Por esta razón el shunt es antes el fusible principal en el circuito, puedo medir la corriente que va en la batería y no hay peligro de un cortocircuito antes el fusible porque el amperímetro en cuestión está totalmente aislado de la red. El voltímetro digital sin embargo puede ser alimentado de la fuente que está midiendo. Realmente no puedo explicar cómo mina está conectado porque cada caso será diferente dependiendo de sus necesidades aunque el diagrama del circuito para mi proyecto en particular se muestra aquí. ¿Como tuyo para arriba cuidadosamente y correctamente y asegurarse crimpings todas son seguras, los conectores están conectados y que todos los cables expuestos están suficientemente cubiertos usando cinta aisladora o tubo termo retráctil, no queremos grandes chispas y fuego en nuestras manos, hacemos? El controlador de carga que usé es un pantano estándar a granel carga, regulador de la carga-off, nada extravagante. El regulador tiene 4 luces de LED que dictan cómo carga la batería es, estado 25, 50, 75 y 100 por ciento de la carga, abrió el controlador y corte el LED de en sus cabezas, había añadido los cables a las patas, cubiertas las piernas expuestas con tubo termo retráctil, entonces compró algunos LED actual baja Maplins y dispuestas en el panel frontal. Mi generador particular tiene una gran cantidad de cableado, como muestra la imagen.

Artículos Relacionados

S.P.R.E.E. (Solar Fotovoltaica renovables electrón encapsulador), compacto, Durable y generador de energía Solar portátil

S.P.R.E.E. (Solar Fotovoltaica renovables electrón encapsulador), compacto, Durable y generador de energía Solar portátil

para bajo $160 se puede construir un S.P.R.E.E. para aprovechar la energía solar libre de carbono para alimentar dispositivos electrónicos portátiles.Proyecto: S.P.R.E.E. (Solar Fotovoltaica renovables electrón encapsulador), es un experimento en ene
Estación de energía Solar portátil

Estación de energía Solar portátil

Estación de energía solar portable o de emergencia. Estadísticas: 120W (95? max hasta ahora), 12V 80Ah AGM batería solar, MPPT controlador de carga solar, inversor de 400W (utiliza 0.8 A cuando en), 3 ventiladores de refrigeración (en/hacia fuera del
Energía solar portátil, altavoces ordenador, ADSL-Router, Router Wi-Fi, conmutador de red y el sintonizador externo de TV

Energía solar portátil, altavoces ordenador, ADSL-Router, Router Wi-Fi, conmutador de red y el sintonizador externo de TV

aquí es un proyecto serio y también vale la pena hacerlo. Así que no hay más problemas con cortes de energía suele suceder mucho en la India cada verano. Simplemente limpiar fuente de energía renovable de todo el día y la noche. Cuando estoy en casa
Paquete de energía Solar portátil

Paquete de energía Solar portátil

El Trak Pak un diseño por venir en un futuro cercano. El concepto de idea es tener un portátil 12v CC y 120 v Ac junto con una alimentación del usb 5v dc. El concepto es utilizar paneles solares, un banco de baterías, un controlador de carga solar y
Powerbank Solar portátil DIY (con salidas de 110v y puertos USB)

Powerbank Solar portátil DIY (con salidas de 110v y puertos USB)

Esta semana estamos construyendo SlimPanel, una inteligente solución todo-en-uno para la producción de energía solar portátil. SlimPanel tiene todos los componentes necesarios dentro de una caja portátil de 1 pulgada. Básicamente es un powerbank enor
¿DIY USB Cargador Solar portátil ($20-4 puertos)

¿DIY USB Cargador Solar portátil ($20-4 puertos)

Dreamed de hacer un "Muy fiable" y barato USB cargador solar portátil? Aquí está un tutorial rápido, revelando Cómo hice mía con un presupuesto de menos de $20!___________________________________________________________________________________Te
Cómo hacer un generador Solar portátil

Cómo hacer un generador Solar portátil

Cómo hacer un generador Solar portátil¿Por qué Solar?Actualmente, la energía solar es la fuente de energía renovable más abundante y más limpia disponible. Energía solar es totalmente gratuita y no produce contaminantes. La única limitación es que la
Auto Solar portátil, sistema de seguimiento

Auto Solar portátil, sistema de seguimiento

por: Dave WeaverEsta construcción se realiza con extrusión de ranura en t de aluminio. Elegí este material porque es limpio, ligero e ideal para trabajar con. Esto podría ser muy fácilmente construido con madera pero no es tan resistente a la humedad
Horno Solar portátil de empleado de oficina

Horno Solar portátil de empleado de oficina

en consonancia con la gran tradición de crear formas para calentar mi almuerzo en el trabajo con material de oficina disponibles, presentar para su revisión, Estimado Horno Solar portátil del lector el oficinista.Paso 1: La situación Debido a circuns
Destilador de agua solar portátil (nevermind)

Destilador de agua solar portátil (nevermind)

actualización: NEVERMIND - esta idea no funcionó hacia fuera.  Voy a tener que repensarlo y probar otra vez algún díaAquí es un diseño para un bajo costo y fácil para hacer el destilador de agua solar portátil.Trabaja permitiendo que el agua evaporad
Generador Solar portátil

Generador Solar portátil

ACTUALIZAR a "paso 3: el panel Solar y conexiones"He construido este sistema porque su diversión, soy un nerd y su diversión. ¿Mención a su diversión? Llevo 20 años en electrónica de la computadora y trabajar con 12v viene muy natural para mí. L
Cargador solar portátil 20w

Cargador solar portátil 20w

He carga baterías recargables 18650 de un cargador solar de baterías pequeño 12v hace unos meses. No me impresionó con el índice de carga, pasar todo un día soleado para tal vez tener una batería 18650 sola cargada. Decidido dar un paso a otro nivel
Cargador usb solar portátil DIY

Cargador usb solar portátil DIY

Hola chicos,Así que estoy de nuevo aquí al instructivo y este es mi primer instructable. Es un cargador portátil usb solar desmontable. Que es portable y los paneles solares son desmontables (para ser compacto). Con este circuito fácil también puede
Generador Solar portátil en un remolque de bicicleta para Burning Man

Generador Solar portátil en un remolque de bicicleta para Burning Man

AKA el panel Solar en las ruedas, también conocido como Post apocalíptico poder Wagon, aka bicicleta Dance Party USA, aka debo conectar un motor eléctrico para esta bicicleta porque el trailer es tan maldito pesado de la batería...Primero Déjame empe