Paso 1: El esquema

El circuito para el tablero es bastante básico como simplemente usamos un regulador micro de la foto más grande de 16 bits para hacer la mayor parte del trabajo para nosotros.
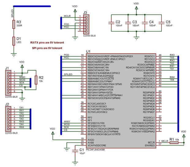
U1 es el microcontrolador PIC24FJ64GA306, elegí este chip ya que tiene cuatro periféricos UART y era más barato que pude encontrar por compras en Farnell y microchipdirect. El chip también ofrece varios 5V tolerantes pins de I/O lo que significa que a pesar de que el dispositivo tendrá que ser alimentado a 3, 3V que funciona igual que con los sistemas de 5V.
C1 es un condensador de 10uF cerámico y es requerido por el microcontrolador para mantener los niveles de voltaje del procesador interno. Este condensador necesita ser colocado cerca del pin VCAP.
C2, C3, C4 y C5 son condensadores cerámicos de 100nF para proporcionar algunos alisar Voltaje y rechazo al ruido para permitir que el micro controlador funcionar confiablemente. Estos condensadores deben colocarse cerca de los pines VSS y VDD del micro controlador.
R1 proporciona que el MCLR reset señal permitiendo que el micro controlador para funcionar. R2 se tira la señal de selección de chip alta por defecto para que la interfaz SPI se desactiva automáticamente hasta que impulsada por la baja por el anfitrión. R3 es un diodo limitador actual para el indicador LED de las comunicaciones.
J1 es la interfaz para el controlador de host. Ofrece conexiones de alimentación (3.3V) y suelo así como las cuatro clavijas estándar del SPI (MOSI, MISO, SCK y CS). J2 es la interfaz con los periféricos serie cuatro de la UART. J3 es el circuito en serie programación encabezado (ICSP) diseñado para trabajar con la herramienta de programación de PICkit 3.
Tenga en cuenta si su diseño que su propio tablero y luego usted puede incluir otras características puedan acceder a través de la interfaz SPI.