Paso 5: Circuito electrónico

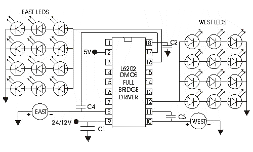
Pin 2 - lógica de entrada para permitir que ambas salidas
Pin 4,5,6 - terrenos
Pin 8 - salida de la segunda mitad puente (motor drive)
PIN 9 - tensión de alimentación a la unidad de motores de 12-24 voltios
PIN 10 - salida del puente de la primera mitad (motor drive)
PIN 11 - arranque a la primera salida de medio puente
Pin 12 - entrada lógica (TTL) para el puente de la primera mitad
PIN 13,14,15 - terrenos
Pin 16 - entrada lógica (TTL) para el puente de la segunda mitad
PIN 17 - bootstrap a la salida de la segunda mitad del puente
PIN 18 - voltaje de referencia interno
C1 - condensador electrolítico de 22mf 50volts
C2 - condensador de cerámica de SMD .22mf
C3, C4 - condensador de cerámica 10nf SMD
LEDs - 5 m m 563nm Hola verde agua claro
DRV - L6202 DMOS Full Bridge Driver