Paso 2: La electrónica y el cableado







La electrónica combinada con el software de control de los relés de estado sólido que a su vez controlan los elementos de calefacción. Pensar en los relés como reemplazos para switches físicos. Excepto que son electrónicos y pueden encender y apagar muy rápidamente desde allí contactos mecánicos no basan en entradas desde el software.
El controlador se basa en diseño de Brian Barrett. Su versión está en águila pero me dise que mi placa en Kicad. A continuación enlaces al archivo. Esto incluye la lista de materiales, esquema, Gerber y la de la Junta en documentos PDF.
Una vez que se realizan las tablas Necesitará cargar el firmware en la misma. Más pasos que en la sección alimentación.
Aparte de las piezas en la lista de materiales, también necesitarás estos:
- Algunos cables que conectan los circuitos de control. Regular 22 AWG de alambre debería funcionar bien.
- Usted necesitará también relés de estado sólido. Mina son clasificado para 25A pero puesto que cada elemento no lleva más de 5A, un 10A uno debería funcionar igual de bien. Compré los clasificado superiores desde la 10A y la 25A tenían un mismo precio.
- Un termopar de tipo K con en mínimo 1 metro de alambre.
- 2 bornes de tornillo perno 5mm pitch
- Puerto micro USB
- PIN headers (echada de 2.54 milímetros estándar)
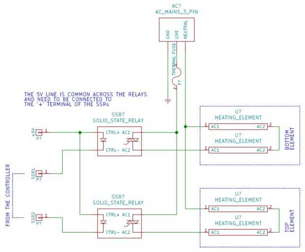
El cableado
Aquí se muestra el diagrama de cableado. En mi caso los elementos ya fueron conectados en serie y forzarlo. Las conexiones del elemento calentador varían de horno y tuyo sólo puede tener un elemento. He conectado los otros extremos al relé utilizando terminales hembra similares a las utilizadas en los conectores molex y puede manejar hasta 10A de corriente que los hace ideal para esta aplicación. Estas calcen muy bien pero estoy pensando en una solución sólida más.
Ya que nosotros no podemos soldar nada por razones obvias, los cables necesitan ser conectados a los terminales. Sin necesidad de una herramienta que prensa especializada. Utilicé una pinza de nariz pequeña para hacer eso. Use un montón de tubos de encogimiento de calor para cubrir las uniones entre cables pelados con terminales. Conecté el neutro de la red eléctrica a los relés con casquillos tubulares de aluminio. Otra vez, cubrir estas con tubos del encogimiento del calor.
Hay un pequeño fusible térmico conforme el terminal vivo de la red eléctrica. La parte # es SF214E y están comúnmente disponibles. Esto esencialmente corta red eléctrica si la temperatura que rodea el fusible supera 216 grados C. Este vino con mi horno. No te olvides de conectar el terminal de puesta a tierra con la carcasa del horno.
La última cosa a hacer es encajonar el exterior de la cámara de horno todo con lana de fibra de vidrio.
Tenga en cuenta que no he instalado el zumbador y el motor servo. El motor requiere una instalación más mecánica y esencialmente abre la puerta alrededor de una pulgada para ayudar a que el proceso de enfriamiento se mueven más rápido. Hago manualmente ya que de todos modos no estoy planeando hacer este desatendido.
Aunque las fotos muestran 4 relés, he utilizado sólo 2 ya que ahora hay dos pares de elementos con cada par que consiste en dos elementos en serie. Esto fue después que me di cuenta de mi calefacción elementos sólo clasificaron para 110V AC, que fue la mitad de la red eléctrica. de la D4 (parte inferior) a salidas (superiores) D7 sólo D4 y D7 son utilizados en el horno final. D5 y D6 no se utilizan.