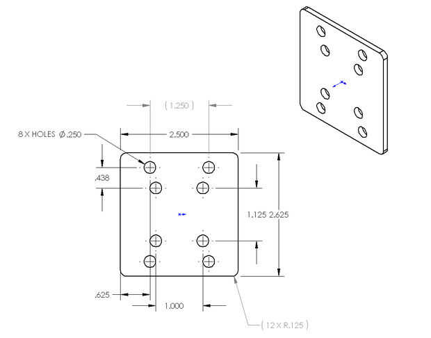
Sistema de transferencia del baño (5 / 10 paso)

Paso 5: Hacer soportes para cierre

El accesorio para la silla a la plataforma de balanceo será hecho por 3 cerrojos, estos seguros se pueden comprar en cualquier ferretería local.  Los seguros de sí mismos se unirá a la silla, estos anexo se realizará por los pestillos se emperna a un soporte de metal y luego los pernos en U montar los soportes de la silla.  Las varillas se unirá a la plataforma rodante, 1 y 2 entonces en la oposición del lado.

Artículos Relacionados

Sistema de defensa del espacio personal

Sistema de defensa del espacio personal

Si estás cansado de la gente invadiendo su espacio personal, hacer estallar su burbuja, o de lo contrario conseguir ' para arriba en su negocio, ¿por qué no enviarles un mensaje arruinándolos lejos con una pistola de agua? Manual dirigido a personas
Cómo instalar un sistema estéreo del coche 2-DIN Android

Cómo instalar un sistema estéreo del coche 2-DIN Android

Un sistema estéreo del coche Android es un dispositivo muy ingenioso que en su viaje. Estos dispositivos contienen Android para coches, con el sistema operativo optimizado para su uso en el camino. Algunos incluso vienen con la opción de conectar un
Thom Yorke (Wannabe) - transferencia del Chocolate

Thom Yorke (Wannabe) - transferencia del Chocolate

Esto es para mostrar como se hace la transferencia del chocolate (destinados a la decoración de pasteles). Con el mismo método, se puede utilizar para crema de mantequilla.Como esta hecho para el concurso de Fandom, opté por Thom Yorke como Radiohead
SISTEMA DE ENFRIAMIENTO DEL ORDENADOR PORTÁTIL... Más fácil

SISTEMA DE ENFRIAMIENTO DEL ORDENADOR PORTÁTIL... Más fácil

son las principales razones por lo que un ordenador portátil se calienta1. inadecuada ventilación2 polvo obstrucción3 llena un espacio alrededor del ordenador portátil4, sobrecargar de trabajo es decir, abusar de juegos hd por mucho tiempo si tu pc n
Último Solar inversor tecnología de sistema de transferencia de

Último Solar inversor tecnología de sistema de transferencia de

aquí está el nuevo Solar inversor tecnología de sistema de transferencia. Mediante el uso de esta información más reciente de la tecnología, puede comenzar su propia planta de producción de inversor con un gasto razonable. Todo lo que tienes que hace
Sistema hidropónico del cubo Holandés

Sistema hidropónico del cubo Holandés

Esto, al igual que todos mi instructables otros está dedicado a mi amada hija Rachael Marie que fue tomado de mí forma temprano en la vida.Aquí es la gente, que todos ustedes han estado esperando. El famoso cubo hidropónico sistema holandés que les h
Sistema estéreo del coche 101

Sistema estéreo del coche 101

bmlbytes bien hizo un trabajo hermoso con su instructivo. Pero supongo que su mi turno para tomar un oscilación en explicar cómo comprar, instalar y modificar tus subwoofers y audio para llevar a cabo en su mayor medida. Ahora recuerde que estas son
Inicio sistema de alerta del correo electrónico de seguridad con frambuesa Pi

Inicio sistema de alerta del correo electrónico de seguridad con frambuesa Pi

En este tutorial veremos cómo configurar hasta su frambuesa pi tomar foto del intruso que entra en su casa y enviar un correo electrónico a usted cuando usted no está en su casa.Paso 1: Lo que necesitaráFrambuesa Pi ejecutando RaspbianCámara USBSenso
Sistema eléctrico del granero de la yarda

Sistema eléctrico del granero de la yarda

Así que mi padre consiga me regalos de Navidad impar. Supongo que porque todo lo tengo que necesito ya.Navidad pasada me consiguió esta célula solar de 7 vatios de norte. Al principio que no estaba seguro qué hacer con él. Entonces cuando la batería
Sistema de mensaje del LED en una rueda de bicicleta plegable Strida

Sistema de mensaje del LED en una rueda de bicicleta plegable Strida

después de que me he comprado mi strida bicicleta plegable, una de las primeras cosas que hice fue revisar instructables.com para cualquier strida relacionadas con proyectos. Y muy asombrado al ver que no había ninguna.Por lo que he planeado hacer un
Cómo instalar un sistema de inicio del baloncesto en sus el propio

Cómo instalar un sistema de inicio del baloncesto en sus el propio

¿desea comprar su propio aro de baloncesto de patio trasero para el baloncesto de práctica? Hoy en día, hay muchos asequible y fácil de instalar sistemas de baloncesto disponibles en el mercado. Con nuestro propio sistema de baloncesto se puede ir po
Sistema de ajedrez del corte del Laser moderno

Sistema de ajedrez del corte del Laser moderno

En este Instructable te guiará a través de cómo construir este magnífico juego de ajedrez y damas.Se necesita:-Acceso a un cortador del laser-3 m m MDF-3 m m de acrílico en el color de su elección-Pegamento PVA-resina de epoxy 2 parte-papel de lija d
Limpieza de su sistema de enfriamiento del ordenador portátil

Limpieza de su sistema de enfriamiento del ordenador portátil

mi ordenador principal es un hp zv5000 - utiliza dos tubos de calor con dos ventiladores y disipadores de calor para enfriar el procesador. A través del uso, los disipadores de calor (cobre?) y tubos de recogen un poco de polvo reducción de capacidad
Cómo arreglar un disco umd roto para el sistema de juego del psp.

Cómo arreglar un disco umd roto para el sistema de juego del psp.

muchas maneras de solucionar un disco umd rotos esto es uno de ellos.Paso 1: introducción. Se trata de cómo reparar un disco umd roto. IBroke mina sacando de la caja y arrancó la funda delantera justo al lado de él.Okey eso es todo lo que tenemos tie