Paso 3: Piezas y montaje





Mi costo total para este proyecto hasta ahora, no incluyendo la Spectrum DX7 transmisor, está alrededor de $1300, con los gastos más importantes están: controlador de Motor ($430), 2 Min Kota Trolling Motors ($240), aluminio ($135), batería ($90) y el cargador ($60). También: 32 LEDs, varios Cables, conectores, interruptores y I.C.s ($175 +), RC receptor ($60), pernos de leva ($40), Arduino Backup uController ($35), etc.... Tenga en cuenta que realmente hizo todo el camino a través de mi proceso de diseño y desarrollo sin soplo original Arduino!
Aunque he estado contemplando este proyecto desde el año 2006, obteniendo el Arduino uController realmente me dio un arranque y oficialmente empezó a trabajar en él a mediados de junio de este año (17/06/09). Tuve el proyecto totalmente trabajando en 20 de agosto de 2009. Compare esto con el proyecto de Cal Poly Solo Quad (Google: Cal Poly Solo Quad). Ingenieros de Cal Poly consideran asistir a Control remoto imposible incorporar en su diseño.
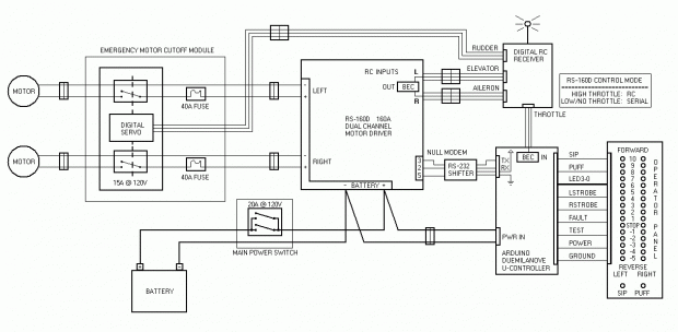
Los archivos siguientes describen el sistema, y copias de alta resolución de las imágenes se pueden descargar mediante los enlaces proporcionados:
-

s un diagrama completo del sistema, incluyendo circuito de Panel de operador, conductor del Motor y Motor.
- SNPCTRL. EXE es un programa que simula con precisión la interacción con la unidad de Control, excepto que SIP y SOPLOS se simulan presionando las teclas Control y ALT.
Recuerde ingresar la secuencia de arranque primero!
Ver "la SNPCTRL. Programa EXE"en el paso siguiente para obtener más información!
-

ilustra un típico interruptor de SORBO y soplo.
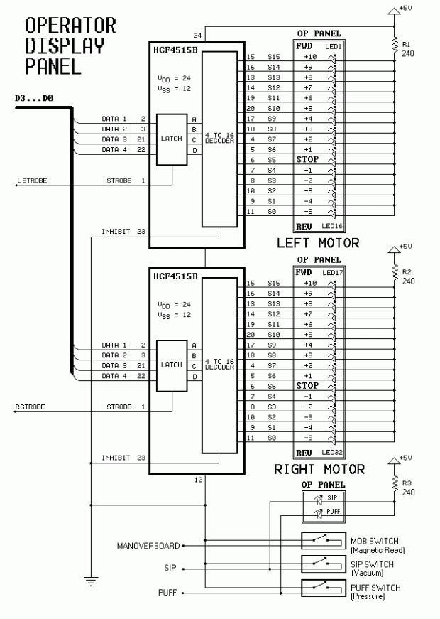
-OP-PANEL de

es un diagrama esquemático para la pantalla del operador.













