Paso 2:


es que no siempre se logra un esquema riguroso óptimo absoluto. Así, en el caso
de la síntesis de las funciones complejas con un alto número de variables de entrada (los de
con n > 6), con muchas salidas y Estados indeterminados, algebraica y topológica
métodos son muy difíciles de aplicar.
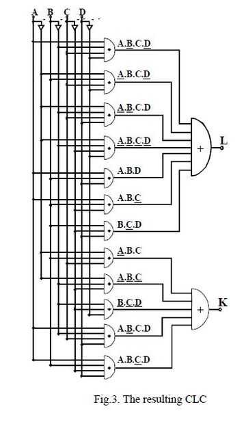
En el siguiente nos ilustran el problema de diseñar CLC por ejemplo. En
Figura 2 en que se muestra el proceso de minimización con diagrama de Veitch-Karnaugh y
la figura 3 se muestra el CLC resultante.