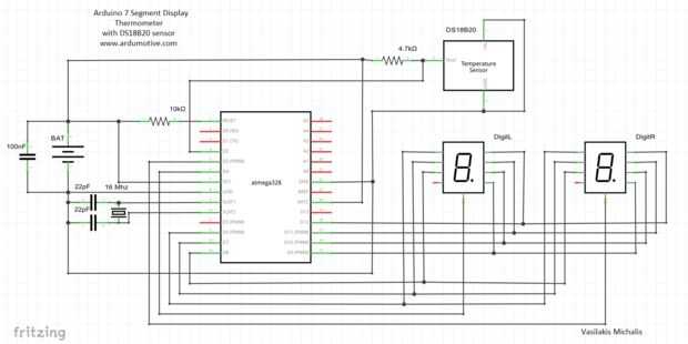
Siete segmentos Display termómetro - Arduino basado (2 / 4 paso)

Paso 2: El circuito

Como dije antes, te daré dos formas de construir este termómetro.

La manera fácil es armarlo en protoboard y lo difícil es construir en una placa de circuito de Arduino base personalizada.

Artículos Relacionados

Cuatro segmentos del dígito siete mostrar contador/termómetro

Cuatro segmentos del dígito siete mostrar contador/termómetro

Hola allí! Hoy voy a mostraros mi último proyecto que he hecho. En primer lugar, cuando comencé el proyecto era sobre un mostrador con una pantalla de 4 dígitos de 7 segmentos multiplexados, para clase electrónica digital en la Universidad.Para este
¿Cómo diseñar siete segmentos display driver chip en VLSI concepto por primera vez!?

¿Cómo diseñar siete segmentos display driver chip en VLSI concepto por primera vez!?

Hoy, voy a mostrarte cómo diseñar controlador de siete segmentos pantalla electrónica de un componente que es similar con chip 7447. Este proyecto fue que hice cuando en mi universidad es el año pasado, gracias a mi profesor, aprendí a diseño de un c
Termómetro Arduino Digital (con DS18B20)

Termómetro Arduino Digital (con DS18B20)

Hola,Hoy voy a mostrar cómo hacer su propio termómetro digital con sensor de temperatura DS18B20 y arduino uno.Este termómetro puede medir temperaturas de-55 ° C a + 125 ° C (-67 ° F +257 ° f). Hay botones, uno para encender/apagar luz de pantalla y
Termómetro Arduino proyecto

Termómetro Arduino proyecto

este proyecto está diseñado para mostrar la temperatura actual en la sala y también ir hacia adelante y hacia atrás entre Farenheight y Celsius. Además, mostrará una temperatura deseada que es ajustable con el uso de un potenciómetro. Si la temperatu
Arduino Nano: Con DS1820/DS18S20 Maxim un termómetro Sensor módulo

Arduino Nano: Con DS1820/DS18S20 Maxim un termómetro Sensor módulo

He recibido muchas peticiones para tutorial de termómetro OneWire Maxim DS1820/DS18S20 , así que aquí está el primer tal Instructable.En la siguiente Instructables demuestro cómo trabajar con varios termómetros conectados al mismo pin, así como obten
Arduino Nano: Leer múltiples DS1820/DS18S20 Maxim un alambre Termómetros con Visuino

Arduino Nano: Leer múltiples DS1820/DS18S20 Maxim un alambre Termómetros con Visuino

Una de las razones que los Termómetros DS18B20 OneWire Maxim DS1820 DS18S20 / / son tan populares es que varios termómetros pueden ser conectados e incluso funciona con sólo 2 hilos. Ya postee Instructables en cómo conectar un termómetro y cómo obten
Arduino Nano: Leer DS1820/DS18S20 Maxim un cable termómetro dirección con Visuino

Arduino Nano: Leer DS1820/DS18S20 Maxim un cable termómetro dirección con Visuino

OneWire Maxim DS1820 DS18S20 / / DS18B20 son termómetros muy populares y con razón. Termómetros de múltiples se pueden conectar e incluso funciona con sólo 2 hilos. Ya postee Instructable sobre cómo conectar y leer OneWire termómetro aquí.Cada termóm
Cuenta abajo en 7 segmentos Display W/RPi 3

Cuenta abajo en 7 segmentos Display W/RPi 3

En este instructable mostrará y enseñándote cómo hacer siete segmentos display que muestra una cuenta regresiva de 9 a cero (el punto es opcional) con un raspberry pi 3.Elementos necesarios:-1 x frambuesa pi 31 x placa de prototipos sin soldadura10 x
Arduino Digital 7 segmentos termómetro

Arduino Digital 7 segmentos termómetro

Hola a todos! Mostrará usted cómo hacer un termómetro digital de 7 segmentos usando el sensor de temperatura LM335.Esta guía para una versión de Arduino, pero estoy trabajando en una versión mini de ATtiny84. Una vez que tengo que trabajar, voy a pub
Termómetro de Arduino usando el Sensor de temperatura LM35

Termómetro de Arduino usando el Sensor de temperatura LM35

Termómetro de Arduino usando el Sensor de temperatura LM35 es una muy simple de implementar Arduino basado en proyecto. Su inició un proyecto perfecto si usted es un principiante y acaba prácticamente pruebas proyectos de Arduino.En este proyecto nos
Arduino 7 segmentos Display Clock (+ activación de sonido)

Arduino 7 segmentos Display Clock (+ activación de sonido)

En este instructable le mostraré cómo hacer tu propio Arduino basado en 7 segmentos display (4 dígitos) reloj con función de activación de sonido!El circuito utiliza el microcontrolador ATmega328p (igual que la placa de Arduino uno) y el DS1302 reloj
Arduino binario 7 segmentos Display reloj y calendario

Arduino binario 7 segmentos Display reloj y calendario

A diferencia de la mayoría de los otros relojes binarios este reloj muestra la fecha y binario en 3 filas de 8 siete segmento se muestra como uno y ceros en lugar de apenas filas de LEDs.Todos los detalles sobre este mi web site aquí.Un microprocesad
Arduino basado metro - un conductor del LED muchas

Arduino basado metro - un conductor del LED muchas

como el resultado directo de una pregunta en el foro de Instructables, para un gráfico de barras Mostrar datos en el salpicadero de un coche, una electronica instructable.Aquí, para su deleite es el coche de barDuino, un simple sistema de visualizaci
Termómetro de tira de LED Arduino

Termómetro de tira de LED Arduino

Había comprado recientemente una tira LED de Radio Shack (Nº de pieza: 2760339) que se basa en el chipset de TM1803 y estaba buscando un proyecto utilizar en.Me estaba inspirado termómetro habitación de un bebé de Gro-Egg que tenía, que los cambios d