






Para este proyecto he utilizado esas partes:
1. ánodo común de 4 dígitos 7 segmentos display
2. Atmega8 microcontroladores
3. regulador de voltaje 7805
4. cuarzo 16MHz
5. 2 x 22pF
6. diodo 1N4001
7. 100uF electrolítico cap
8. 100nF tapa cerámica
9. mujeres encabezados
10. C.C. barril jack conector
11. Junta Directiva prototipado
12. algunos alambres de un cable de cinta disco duro.
13. LM335 themperature sensor + 2 x 1K resistencias
Las herramientas utilizadas en este proyecto son:
-Soldador
-Bomba de la soldadura
-Alambre de soldadura
-Pinzas hemostáticas
-Pelacable
-Tercera parte
-Poxipol para pegar el conector de barril a la Junta
He utilizado este proyecto y este proyecto como fuente de inspiración.
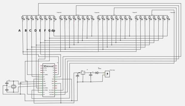
El esquema se hace solito en Fritzing usando las descripciones de ese proyecto. Así que, como ya hemos visto no realmente molesta para cambiar el orden de los pines en el código para evitar cables loco. El código se hace así no necesita cualquier resistencia por la pantalla porque cada ánodo se controla mediante PWM.
Primeras pruebas se hicieron con Arduino UNO R2 y luego después de que el código estaba bien, he empezado el edificio. Hay también 3 fotos con algunos detalles cuando la junta fue terminado casi el 90%, creo. La última foto es con el sensor de temperatura LM335 añadida al contador. El sensor está conectado al pin A2 de Atmega8.
Link del código de contador: aquí
Enlace del código termómetro: aquí
Nota que termómetro código requiera la biblioteca sevseg para Arduino. Usted puede encontrar la biblioteca derecho aquí!
Esto es todo! Espero que disfruta y no olvide seguir + botón! :) ¡ Saludos!
P.S.: Disculpen mis faltas de ortografía!