Paso 3: Trazado las líneas de base



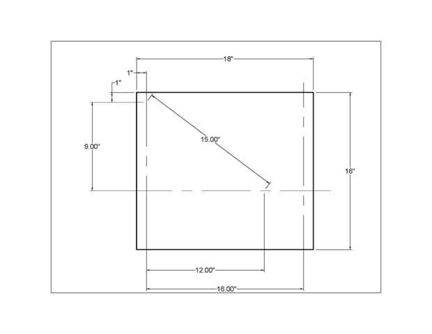
Trace una línea vertical 1" de la izquierda, de arriba a abajo, paralela al borde izquierdo del MDF. Se trata de su línea de base vertical. En esta línea, Mida hacia abajo 1" y marque con un lápiz fino. Luego Mida hacia abajo otro 9,00" y marque con lápiz de otro (véase el dibujo). Desde las 9,00" marca, use una escuadra de enmarcar a la izquierda para dibujar una línea horizontal fina por todo el MDF. Es importante que esta línea horizontal perpendicular a la arista izquierda del MDF (y así también la línea perpendicular a la vertical de la base). Para comprobar que es, use la 3:4:5 principio de triángulo se muestra en el dibujo abajo. Cuando usted ha confirmado que la línea horizontal es perpendicular a la línea vertical, más 16,00" y hacer otra marca, como se muestra en el dibujo. Desde punto, utilice un triángulo de redacción para dibujar una línea vertical en la parte superior del MDF.
Ahora debe tener tres instantáneas, dos verticales y uno horizontal.