Paso 4: Celular: parte 1





Configurar el GSM:
En esta sección que tomaremos la información que estamos recogiendo de nuestros sensores, almacenar temporalmente en la Moteino mediante una matriz y luego subir esa matriz de datos a la base de datos sobre nuestra conexión GSM celular.
Descargo de responsabilidad: Este material GSM para sacarle un poco complejo y abrumador a veces, especialmente si las cosas dejan de funcionar exactamente como deben. He hecho mi mejor esfuerzo para hacer tan sencillo un proceso posible pero por favor, tomar un descanso y volver a él si cosas deja de funcionar bien.
El módulo GSM que estamos utilizando es el tablero de Adafruit FONA, que tiene muy buena documentación en el sitio web de Adafruit así. Escribí otro Instructable que utiliza mucho el las mismas tecnologías que un registrador de localización mediante el manejo y el servicio de datos de Sparkfun, que podría ser útil mirar así. Voy a intentar no repetir información, tanto de este proceso es muy similar.
Usar a un Monitor Serial llamado Término Cool, que es la mejor forma de hablar con el FONA. Utilizando el IDE de Arduino puede causar problemas de misterio a veces cuando se comunica con módulos GSM. Que Sparkfun escribió un gran tutorial de como usarlo, para que no repita la información. Solo por favor que el modo de línea, hará su vida mejor.
Configuración de la FONA
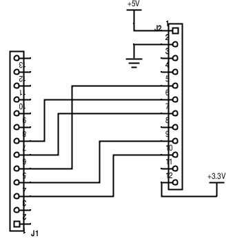
El primer paso es configurar el manejo de la protoboard y conectarse a la Moteino. Aquí las conexiones son ligeramente diferentes de Adafruit, así que tenlo en mente mientras mira a través de documentación y código.
Las conexiones son las siguientes. También referencia a la imagen incluida y el esquema.
- Vio se conecta a 3, 3V
- GND se conecta a GND
- RX se conecta a 3 digital
- TX se conecta a 4 digital
- Primero se conecta a digital 5
- Clave se conecta a 6 digital
- PS conecta con 7 digital
Powering arriba
Una vez todas las conexiones del protoboard, inserte su tarjeta sim, conecte la batería, conecte el FONA en el protoboard y presione y mantenga el pequeño botón hasta que se encienda la luz azul. Después enciende, debe haber una luz roja que parpadea aproximadamente una vez cada segundo. Esto significa que hay una célula buena conexión y el módulo está alimentado y listo para recibir comandos.
Las conexiones de prueba
Por favor referencia Receptor-FONASerialTest.ino que tiene el código de este artículo.
El FONA se comunica a través de una conexión en serie. Porque necesitamos el hardware del puerto serie para comunicarse entre el Moteino y el ordenador, tendremos que usar la biblioteca serie de Software para crear un nuevo software de puerto serie en el Moteino.
El código incluido le permitirá probar la conexión serie con el FONA. Lo único que hace es traducir todos los caracteres entre los puertos de serie de hardware (computadora <> – Moteino) y los puertos de serie de Software (Fona <> – Moteino). Esto nos permite enviar mensajes desde la computadora para el manejo a través de la Moteino.
Cargar el código y luego conecte el CoolTerm a la Moteino.
Prueba tecleando:
en la línea de comandos CoolTerm y pulsar enter. Debe responder a un mensaje que dice:
Una vez que un OK, sabes que todo el cableado es correcto y estamos listos para ir hacia el siguiente paso. Si usted no recibe una autorización, asegúrese de que todas las conexiones son correctas y el manejo es en.
¿Qué es un comando en el?
El módulo GSM (FONA) responde a lo que se conoce como en los comandos, que son los comandos de texto que inicializar ciertas funciones dentro del módulo GSM. El módulo es un pequeño equipo en sí mismo que puede hacer mucho por cuenta propia.
La sintaxis del comando es asi:
- ¿Comando de la prueba: A +=?- Devuelve una lista de parámetros o rangos de los valores que puede establecer con el comando
 
- ¿Comando de lectura: A +?- Devuelve el valor actual de los parámetros de este comando
 
- Escriba el comando: A += <>...- Este comando establece valores de los parámetros definidos por el usuario
 
- Comando de ejecución: A +- Ejecuta un comando sin valores de los parámetros definidos por el usuario
 
- Una corta lista de comandos útiles puede hacer referencia a la página de Adafruit el FONA.- Probar todos estos comandos. ¡ Es genial! Trate de hacer una llamada telefónica o enviar un texto!
 
- De un compendio de todos los comandos que la hoja de datos está aquí.- Obtén tu número IMEI: AT + CCID
- obtener la intensidad de la señal: AT + CSQ
- ¿obtener su información de suscriptor: AT + COPS?
 
Para hacer una petición GET...
Para hacer una petición GET, necesitará ejecutar este siguiendo comandos en este orden.
- Primero configuramos el GPRS: Nota: necesita tener el APN para celular plan en este momento, la SIM que tienes para este proyecto de referencia.- AT + CMGF = 1
- AT + CGATT = 1
- AT + SAPBR = 3, 1, "CONTYPE", "GPRS"
- AT + SAPBR = 3, 1, "APN", "aquí en el apn"
- AT + SAPBR = 1, 1
 
- La configuración HTTP y hacer la solicitud: Nota: va a utilizar la URL de Sparkfun (http://data.sparkfun.com/input/ [publicKey]? private_key = [privateKey] & heartbeat = [valor] & id = [valor] & temp = [valor]), sólo puede introducir los valores al azar de los datos por ahora. El comando HTTPREAD debe volver con un mensaje de 1 éxito si está correctamente formateado y pasa a través de y usted debe poder consultar la página web y ver que se ha actualizado.- AT + HTTPINIT
- AT + HTTPPARA = "CID", 1
- AT + HTTPPARA = "URL", "tu dirección de url"
- AT + HTTPACTION = 0
- AT + HTTPREAD
 
- Luego cerramos el HTTP y el GPRS- AT + HTTPTERM
- AT + SAPBR = 0, 1
 
Trate de hacerlo un par de veces. Asegúrese de que funciona cada vez. Este proceso es lo más infalible posible hará que los próximos pasos mucho más fácil y recto hacia delante. Los comandos GSM en el código de depuración es un proceso frustrante eternamente.













