Paso 4: Muestra de Charlieplexed

Si en cambio utilizamos la técnica de Charlieplexing podemos reducir la cuenta de conexión a sólo 9, este independientemente si tenemos 2, 3, 4, 5, 6, 7 o incluso 8 muestra.
El inconveniente de la utilización de Charlieplexing es que las conexiones a las pantallas es un poco más complejo y el software escaneará cada pantalla uno por uno también se convertirá en algo más complejo. Pero bueno! Si usted puede ahorrar 7 pines de salida en el microcontrolador creo que un par de líneas más de código es un precio barato. Como se puede ver en el paso de software en este instructable el software de escaneado no es realmente tan complejo y puede implementarse fácilmente en su idioma de elección.
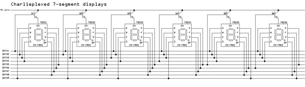
El hardware es realmente la misma que en el ejemplo estándar multiplex que sólo algunas de las conexiones cambian.
El principal cambio es que se agrega una línea adicional para los segmentos. En la primera pantalla que la nueva línea está conectada para el segmento, en la segunda pantalla el segmento B y así sucesivamente. Todos los otros segmentos están conectados como de costumbre. Todas de juntos, y B todos juntos (a excepción de ofertas previamente mencionados)...
El transistor de la primera pantalla se conecta a la línea donde el segmento debería haber sido. El transistor de la segunda pantalla está conectado a la línea donde el segmento B debió y así sucesivamente.
A dirección de la muestra ahora el procesador tiene que un alto valor en la línea que su transistor está conectado a la salida, primero salida un valor bajo en las líneas que están conectadas a los segmentos que deben estar encendidos y desconectar (alta impedancia) las líneas de los segmentos que deben estar apagado.
La última parte es más importante aquí, ya que si el procesador salida de un alto nivel de los segmentos que deben ser de los transistores conectados a los segmentos también se activarían y causan algunas otras pantallas para activarse al mismo tiempo. Y eso no es bueno. Multiplexing siempre se basa en que sólo una pantalla a la vez está activada. Uno por uno en una manera rápida para que el cerebro/ojos es engañado y piensa que están todos en el mismo tiempo.
Ya que cada pantalla se conecta de una manera ligeramente diferente que los otros el software de escaneado debe manejar esto por código especial para cada pantalla.